Curiosii for ever!
: Car repair manuals for everyone.
Home
>>
Oldsmobile
>>
2000
>>
Intrigue V6-214 3.5L VIN H SFI
>>
Repair and Diagnosis
>>
Diagrams
>>
Electrical Diagrams
>>
Powertrain Management
>>
Computers and Control Systems
>>
Body Control Module
>>
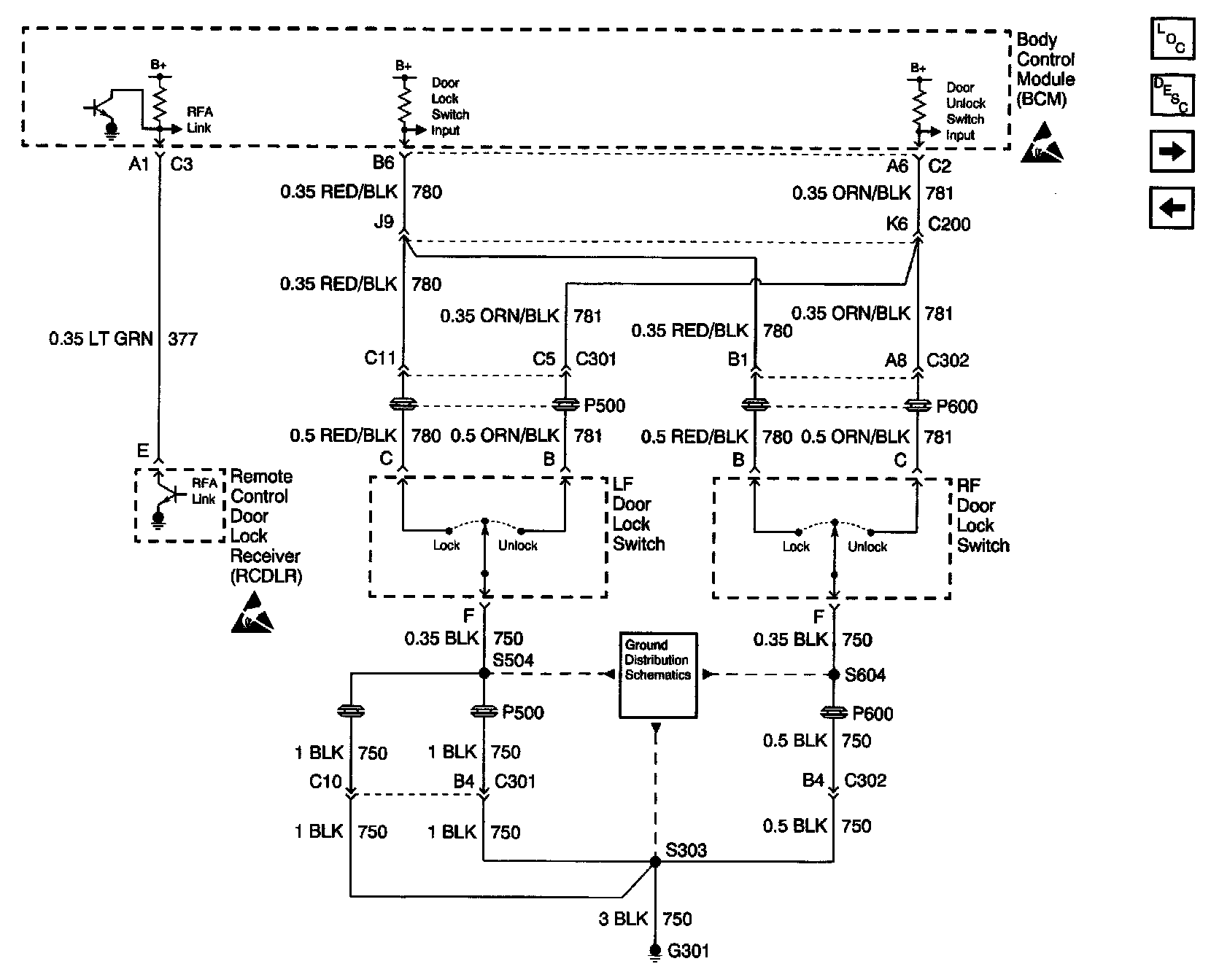
Door Lock Switch Inputs
Door Lock Switch Inputs
Body Control Module Schematics: Door Lock Switch Inputs And Remote Control Door Lock Receiver (RCDLR) Link: