Curiosii for ever!
: Car repair manuals for everyone.
Home
>>
Oldsmobile
>>
2000
>>
Intrigue V6-214 3.5L VIN H SFI
>>
Repair and Diagnosis
>>
Diagrams
>>
Components
>>
Miscellaneous Components
>>
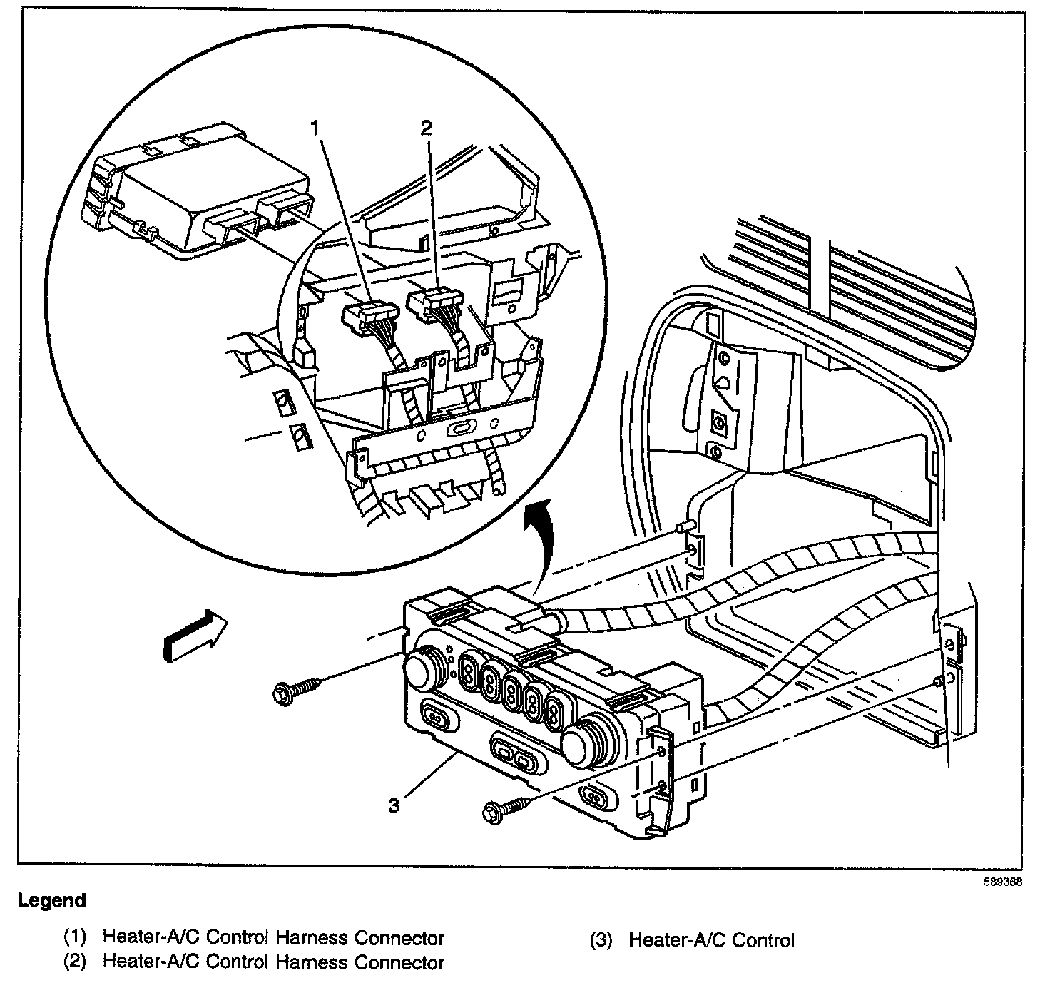
Heater-A/C Control
Heater-A/C Control
Locations View:
Locations View: