Curiosii for ever!
: Car repair manuals for everyone.
Home
>>
Oldsmobile
>>
1999
>>
LSS V6-3.8L VIN K
>>
Repair and Diagnosis
>>
Brakes and Traction Control
>>
Antilock Brakes / Traction Control Systems
>>
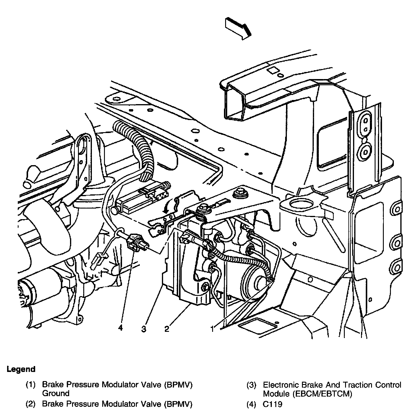
Electronic Brake Control Module
>>
Locations
>>
Electronic Brake (and Traction) Control Module (EBCM/EBTCM)
Electronic Brake (and Traction) Control Module (EBCM/EBTCM)