Curiosii for ever!: Car repair manuals for everyone.

Manifold Pressure/Vacuum Sensor: Service and Repair

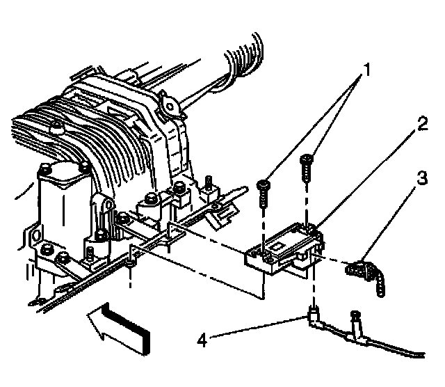
REMOVAL PROCEDURE




1. Remove the fuel injector sight shield.




2. Remove two bolts (1) from the MAP sensor (2).
3. Disconnect the MAP sensor electrical connector (3) from the MAP sensor (2).
4. Disconnect the MAP sensor vacuum hose (4) from the MAP sensor.
5. Remove the MAP sensor from the engine.

INSTALLATION PROCEDURE




1. Connect the electrical connector (3) and vacuum hose to the MAP sensor.
2. Connect the vacuum hose (4) to the MAP sensor (2).

NOTE: Refer to Fastener Notice.

Tighten
Tighten the bolts to 3 N.m (27 lb in).

3. Position the MAP sensor to the bracket and secure with the bolts (1).




4. Install the fuel injector sight shield.