Curiosii for ever!: Car repair manuals for everyone.

Removal Procedure






1. Disable the SIR system.
2. Remove the passenger front seat.
3. Remove the passenger front carpet retainers, then roll back the carpet.
4. Remove the Connector Position Assurance (CPA) from the Inflatable Restraint Sensing and Diagnostic Module (SDM) harness connector.





5. Disconnect the SDM harness connector from the SDM.





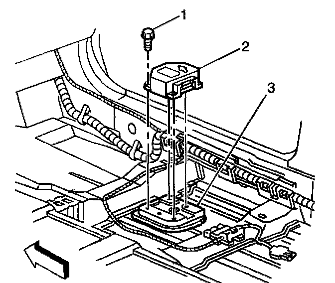
6. Remove the SDM mounting fasteners (1).
7. Remove the SDM (2) from the floor pan (3).

Important: If the SDM mounting holes or fasteners are damaged to the extent that the module can no longer be properly mounted, use the following repair. Torque the replacement fastener with a hand tool in order to prevent stripping the replacement fastener.