Curiosii for ever!: Car repair manuals for everyone.

Transmission Position Sensor/Switch: Adjustments

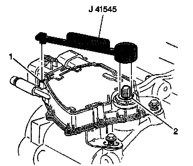
^ Tools Required
- J 41545 Park/Neutral Switch Alignment Tool





If a new PNP switch has been rotated and the pin is broken or if using an old PNP switch, adjust the PNP switch.

1. Place the shift shaft in the Neutral position.
2. Use the J 41545 to align the slots of the PNP switch to the Neutral position.
3. Align the flats of the shift shaft to the flats in the PNP switch.
4. Install the PNP switch to the mounting boss.

Important: If the PNP switch bolt holes do not align with the mounting boss on the transaxle, verify that the shaft is in the Neutral position.

5. Assemble the PNP switch mounting bolts loosely.





6. Use the J 41545 to align the PNP switch.

Notice: Refer to Fastener Notice in Service Precautions.

7. Install the PNP switch mounting bolts.
^ Tighten the PNP switch mounting bolts to 25 Nm (18 ft. lbs.).