Curiosii for ever!: Car repair manuals for everyone.

Throttle Position Sensor: Service and Repair

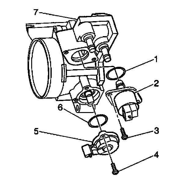
REMOVAL PROCEDURE




1. Disconnect the negative battery cable.
2. Remove the fuel injector sight shield.




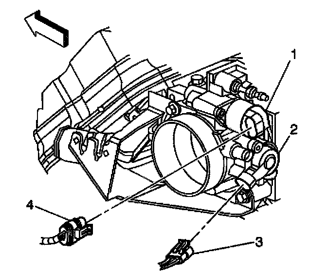
3. Remove the TP sensor electrical connector (3) from the TP sensor (2).




4. Remove the EGR valve.
5. Remove the two TP sensor mounting bolts (4) from the TP sensor (5).
6. Remove the TP sensor (5) from the throttle body (7).
7. Remove the O-ring (6) from the TP sensor (5).
8. Discard the O-ring.

INSTALLATION PROCEDURE




1. Install the new O-ring (6) on to the TP sensor (5).
2. Install the TP sensor (5) on to the throttle body (7).
3. Install the two (4) TP sensor screws.

NOTE: Refer to Fastener Notice in Service Precautions.

Tighten
Tighten the TP sensor screws to 2.3 N.m (20 lb in).




4. Install the TP sensor electrical connector (3) to the TP sensor (2).




5. Install the EGR valve.
6. Install the negative battery cable.
7. Install the fuel injector sight shield.