Curiosii for ever!
: Car repair manuals for everyone.
Home
>>
Oldsmobile
>>
1999
>>
Intrigue V6-214 3.5L VIN H SFI
>>
Repair and Diagnosis
>>
Powertrain Management
>>
Computers and Control Systems
>>
Relays and Modules - Computers and Control Systems
>>
Body Control Module
>>
Diagrams
>>
Electrical Diagrams
>>
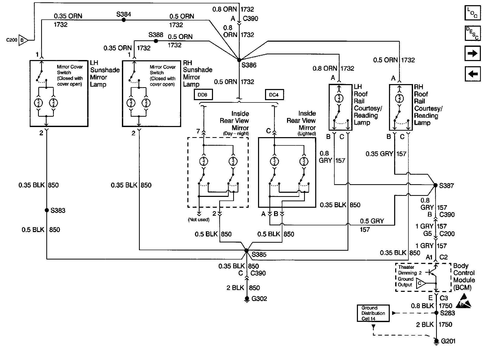
Theater Dimming 2 Output
Theater Dimming 2 Output
Body Control Module Schematics: Theater Dimming 2 Output: