Curiosii for ever!: Car repair manuals for everyone.

Fuel Tank Pressure Sensor: Service and Repair

FUEL TANK PRESSURE SENSOR REPLACEMENT

REMOVAL PROCEDURE




1. Disconnect the negative battery cable.
2. Remove the spare tire cover, the jack, and the spare tire.
3. Remove the trunk liner.
4. Remove the nuts retaining the fuel sender access panel.
5. Remove the fuel sender access panel.




6. Remove the electrical connector from the fuel tank vapor pressure sensor.
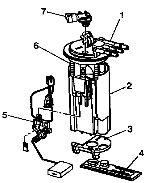
7. Remove the fuel tank vapor pressure sensor (7) from modular fuel sender assembly.

INSTALLATION PROCEDURE




1. Install the new fuel tank vapor pressure sensor (7) to modular fuel sender.
2. Install the electrical connector to fuel tank vapor pressure sensor




3. Install the fuel sender access panel.
4. Install the nuts retaining the fuel sender access panel.

NOTE: Refer to Fastener Notice in Service Precautions.

Tighten
Tighten the fuel sender access panel nuts to 10 N.m (8 lb ft).

5. Install the trunk liner.
6. Install the spare tire, the jack, and the spare tire cover.
7. Install the negative battery cable.