Curiosii for ever!
: Car repair manuals for everyone.
Home
>>
Oldsmobile
>>
1999
>>
Intrigue V6-214 3.5L VIN H SFI
>>
Repair and Diagnosis
>>
Locations
>>
Component Locations
>>
Modules
>>
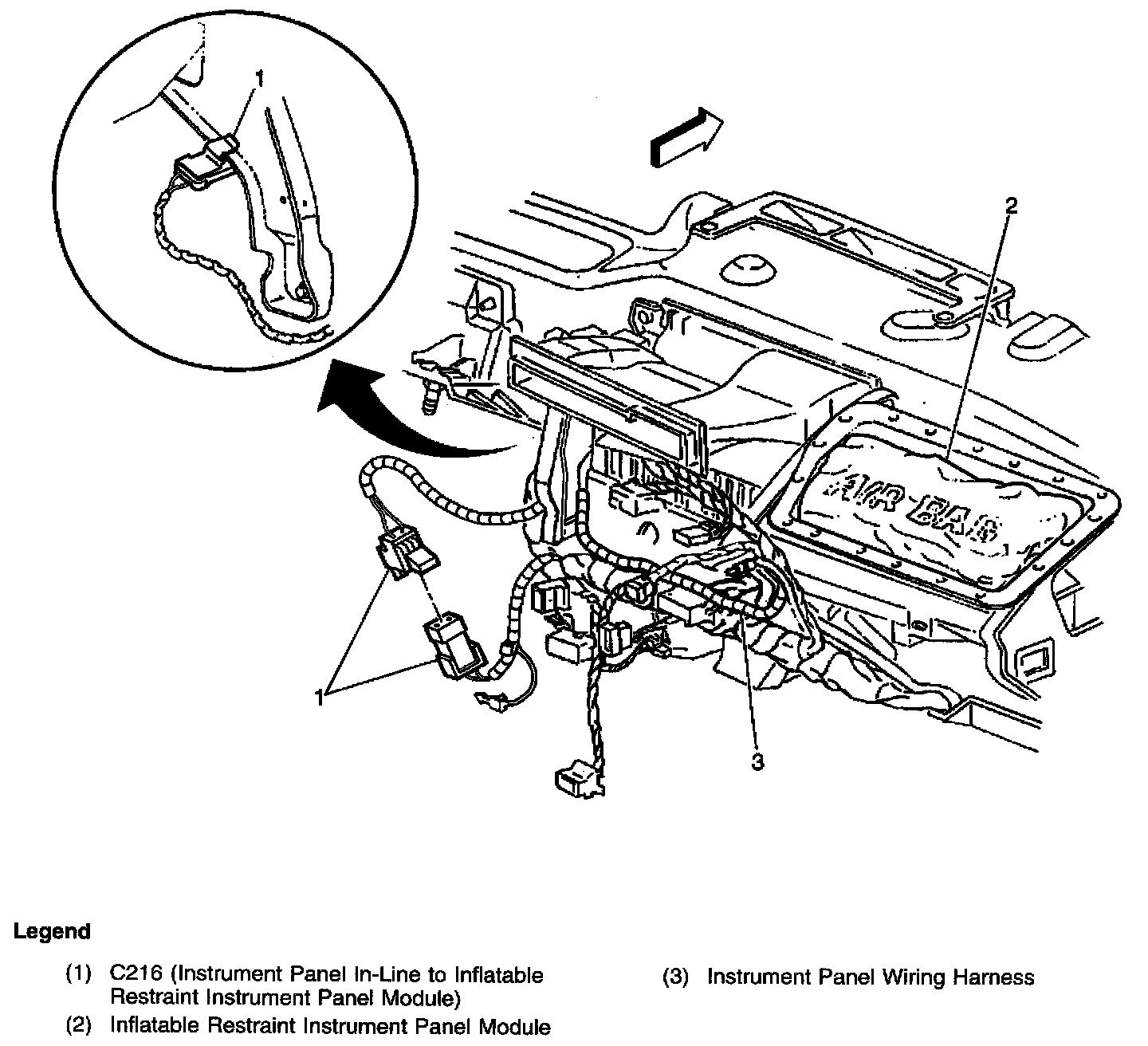
Inflatable Restraint I/P Module
Inflatable Restraint I/P Module
Instrument Panel: