Curiosii for ever!
: Car repair manuals for everyone.
Home
>>
Oldsmobile
>>
1999
>>
Intrigue V6-214 3.5L VIN H SFI
>>
Repair and Diagnosis
>>
Diagrams
>>
Electrical Diagrams
>>
Powertrain Management
>>
Computers and Control Systems
>>
Body Control Module
>>
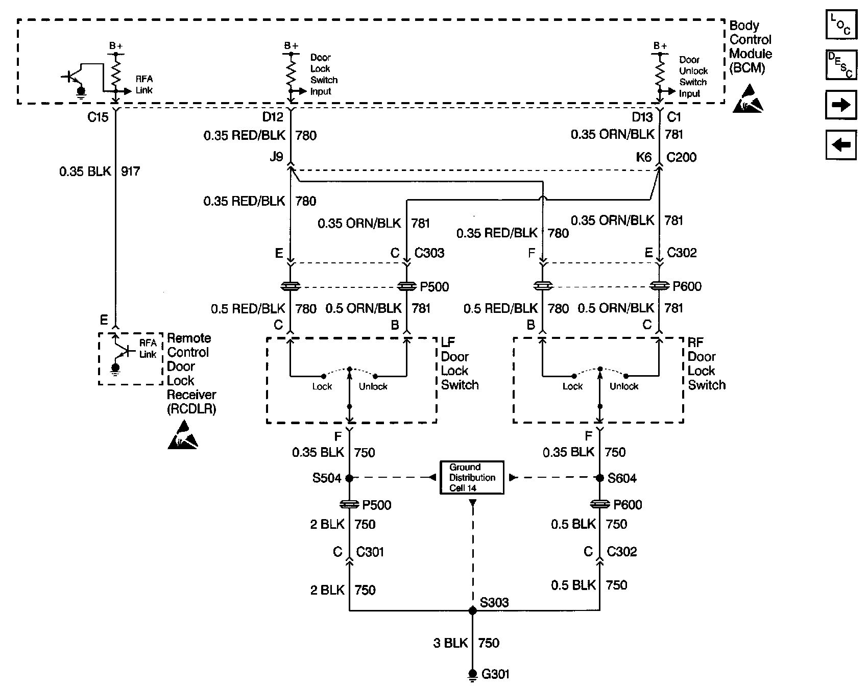
Auto Door Lock Inputs, RFA Link
Auto Door Lock Inputs, RFA Link
Body Control Module Schematics: Auto Door Lock Inputs, RFA Link: