Curiosii for ever!: Car repair manuals for everyone.

Window Regulator: Service and Repair

REMOVAL PROCEDURE




1. Remove the trim panel.
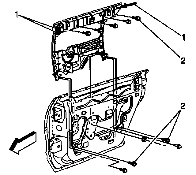
2. Remove the door trim hanger bracket fasteners.
3. Remove the door trim hanger bracket.
4. Remove the water deflector.
5. Remove the inner belt strip.
6. Remove the window retaining bolts (1).
7. Remove the door glass.
8. Raise the regulator to the top travel.





IMPORTANT: Remove any pieces of rivet that fall inside the door. Pieces left in the door may cause rattles.

9. Drill out the 8 rivets on the module belt member using a 6 mm (1A in) drill.
10. Disconnect the window motor electrical connector.
11. Mark all of the adjustments for future glass adjustment.
12. Loosen the adjustments.
13. Remove the lower rear adjustment bracket.
14. Pull up on the module belt member in order to remove the module assembly.

INSTALLATION PROCEDURE





IMPORTANT: Do not allow the fasteners to fall into the door cavity during assembly.

1. Perform the following steps in order to install the module in the door:
1.1. Align the front lower blade bracket into the adjuster.
1.2. Orient the adjuster against the inner panel.
2. Install the short bolt in the top rear hole of the module.
3. Using the previous drill holes as locator holes, loosely install the bolts, the washers and the locknuts in place of all the rivets:
4. In order to ensure that the height adjustment is not lost, perform one of the following routines:
^ For the rear doors, hold up on both the front and the rear of the module when securing the bolts.
^ For the front doors, hold up on the rear of the module while securing the bolts.
5. Push out the bottom of the module as far as possible.
Place the adjuster onto the module stud.
6. Install the nut.
7. Lower the bracket in order to ensure that the bracket has minimum slip fit relative to the guide channel bracket.
8. Adjust the bracket to the original position, as marked in order to prepare for the window adjustment.
9. Connect the electrical connector.
10. Lower the regulator.
11. Install the window.
12. Adjust the door, as needed, in order to fit the body. Refer to Hinge Replacement - Door Service and Repair.
13. Adjust the door glass. Refer to Window Adjustment - Door or Window Adjustment - Rear Door Adjustments.
14. Install the inner belt strip.
15. Install the water deflector.

NOTE: Refer to Fastener Notice in Cautions and Notices.

16. Install the door trim hanger bracket. Ensure the 3 upper tabs of the trim bracket are engaged into the slots of the door panel prior to securing the fasteners.
17. Install the door trim hanger bracket fasteners.

Tighten
Tighten the front fastener to 10 N.m (89 lb in).

Tighten
Tighten the rearward fastener to 3 N.m (27 lb in).

18. Install the trim panel.