Curiosii for ever!: Car repair manuals for everyone.

Steering Control Module: Service and Repair

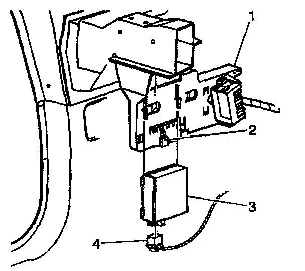
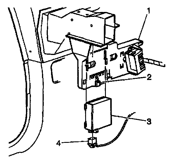
REMOVAL PROCEDURE
1. Disconnect the negative battery cable.
2. Remove the left I/P sound insulator. Refer to Closeout/Insulator Panel Replacement - Left in Instrument Panel, Gauges and Warning Indicators.





3. Remove the variable effort module electrical connector (4).
4. Remove the variable effort module (3) from the multi-use bracket (1) by pressing in on the retainer (2) and sliding down and out of the bracket.

INSTALLATION PROCEDURE





1. Install the variable effort module (3) to the multi-use bracket (1) by sliding upward into place.
2. Connect the variable effort module electrical connector (4).
3. Install the left I/P sound insulator. Refer to Closeout/Insulator Panel Replacement - Left in Instrument Panel, Gauges and Warning Indicators.
4. Connect the negative battery cable.