Curiosii for ever!: Car repair manuals for everyone.

Circuit Diagnosis - Fuel Pump Relay

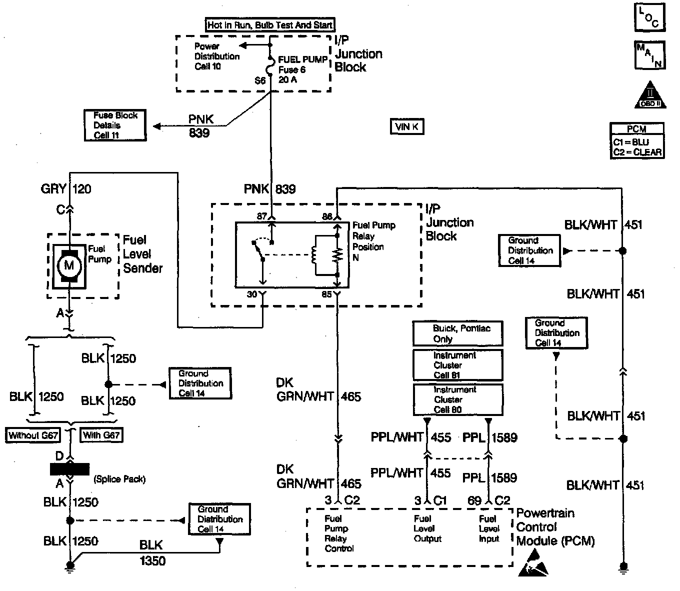
Fuel Pump Relay Circuit Diagnosis (VIN K):















CIRCUIT DESCRIPTION

When the ignition switch is first turned ON, the PCM energizes the fuel pump relay which applies battery positive voltage to the in-tank fuel pump. The fuel pump relay will remain ON as long as the engine is running or cranking and the PCM is receiving reference pulses. If no reference pulses are present, the PCM de-energizes the fuel pump relay within 2 seconds after the ignition is turned ON or the engine is stopped.

The fuel pump delivers fuel to the fuel rail and injectors, then to the fuel pressure regulator. The fuel pressure regulator controls fuel pressure by allowing excess fuel to be returned to the fuel tank. With the engine stopped, the fuel pump can be turned ON by using the scan tool device controls function.

DIAGNOSTIC AIDS

An intermittent may be caused by a poor connection, rubbed through wire insulation or a wire broken inside the insulation. Check for the following items:

^ Poor connection or damaged harness.

Inspect the PCM harness and connectors for improper mating, broken locks, improperly formed or damaged terminals, poor terminal to wire connection, and damaged harness.

TEST DESCRIPTION

Number(s) below refer to the Step number(s) on the Diagnostic Table:

2. Verifies that the fuel pump feed circuit is OK between the fuel pump relay and the fuel pump, and that the fuel pump can deliver adequate pressure to the fuel rail.

3. Checks the ignition feed circuit to the fuel pump relay.

4. Ensures that the fuel pump relay control circuit and the PCM are capable of controlling the fuel pump relay.

5. Checks the fuel pump control circuit for a short to ground.

6. Checks the fuel pump control circuit for an open.

10. If the fuel pump is operating but incorrect pressure is observed, the fuel pump wiring is OK and the Fuel System Pressure Test should be used for diagnosis.
System Diagnosis - Fuel System Pressure Test

11. Checks the fuel pump feed circuit between the fuel pump relay and the fuel pump. Also checks the fuel pump ground circuit.

12. Determines whether the problem is being caused by an open in the fuel pump feed circuit or the fuel pump ground circuit.

20. This vehicle is equipped with a PCM which utilizes an Electrically Erasable Programmable Read Only Memory (EEPROM). When the PCM is being replaced, the new PCM must be programmed.