Curiosii for ever!
: Car repair manuals for everyone.
Home
>>
Oldsmobile
>>
1998
>>
LSS V6-3.8L SC VIN 1
>>
Repair and Diagnosis
>>
Specifications
>>
Mechanical Specifications
>>
Engine
>>
Cylinder Head Assembly
>>
System Specifications
>>
Intake Manifold Torque & Sequence
>>
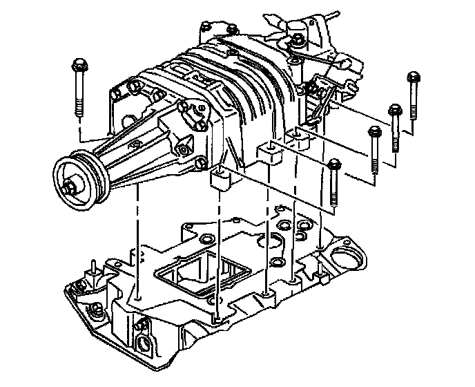
Supercharger Installation
Supercharger Installation
Tighten the stud/bolts to
23 Nm (17 ft. lbs.)
.