Curiosii for ever!
: Car repair manuals for everyone.
Home
>>
Oldsmobile
>>
1998
>>
LSS V6-3.8L SC VIN 1
>>
Repair and Diagnosis
>>
Diagrams
>>
Exploded Views
>>
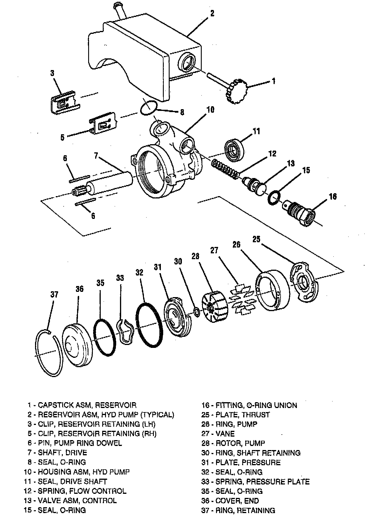
Power Steering Pump
Power Steering Pump
Power Steering Pump Assembly - CB Series: