Curiosii for ever!
: Car repair manuals for everyone.
Home
>>
Oldsmobile
>>
1998
>>
LSS V6-3.8L SC VIN 1
>>
Repair and Diagnosis
>>
Diagrams
>>
Electrical Diagrams
>>
Radio, Stereo, and Compact Disc
>>
System Diagram
>>
Steering Wheel Controls
>>
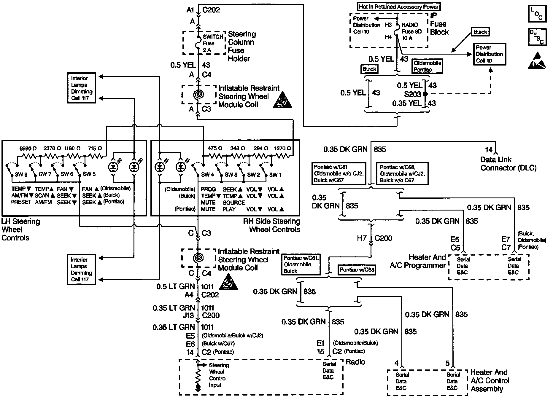
Steering Wheel Controls Schematics
Steering Wheel Controls Schematics
Steering Wheel Controls Schematics: