Curiosii for ever!: Car repair manuals for everyone.

Circuit Diagnosis - Fuel Pump Relay












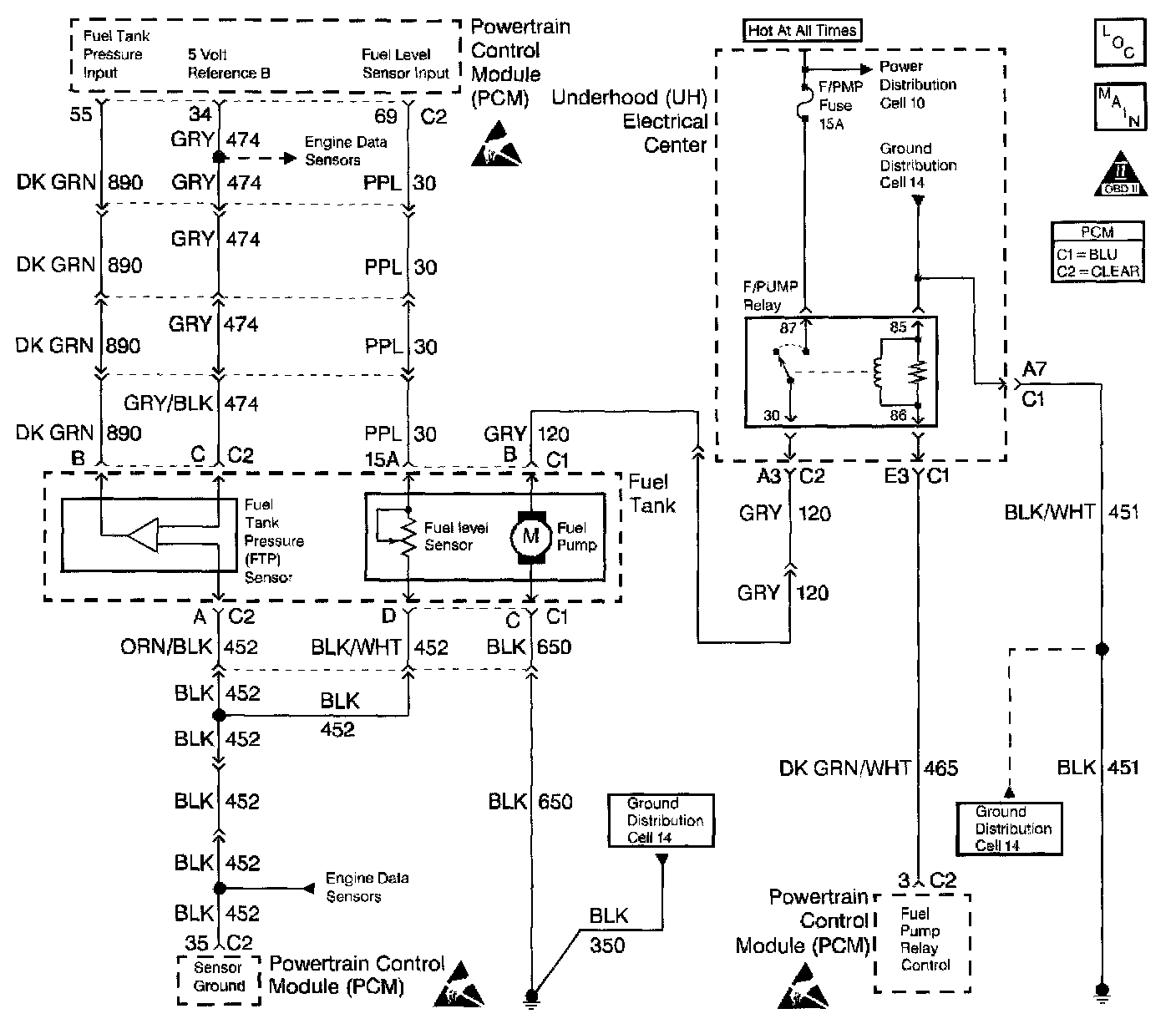
Circuit Description
The fuel pump relay supplies power to the fuel pump. When the ignition switch is first turned ON, the Powertrain Control Module (PCM) energizes the fuel pump relay for approximately 2 seconds. This allows the fuel pump to prime the fuel rail assembly. The fuel pump relay remains ON as long as the PCM receives reference pulses from the Ignition Control Module (ICM) (engine is cranking or running). If the PCM does not receive the reference pulses, the PCM de-energizes the fuel pump relay.

Diagnostic Aids
With the engine stopped, the fuel pump can be turned ON by using the scan tool output controls function.
An intermittent may be caused by a poor connection, rubbed through the wire insulation or a wire broken inside of the insulation.
Check for a poor connection or a damaged harness. Inspect the PCM harness and connectors for the following items:
^ Improper mating.
^ Broken locks.
^ Improperly formed or damaged terminals.
^ Poor terminal to wire connections.
^ Damaged harnesses.

Test Description
Number(s) below refer to the step number(s) on the diagnostic table:
2. Determines whether the fuel pump relay control circuit or the fuel pump system circuit is responsible for the malfunction.