Curiosii for ever!: Car repair manuals for everyone.

Main

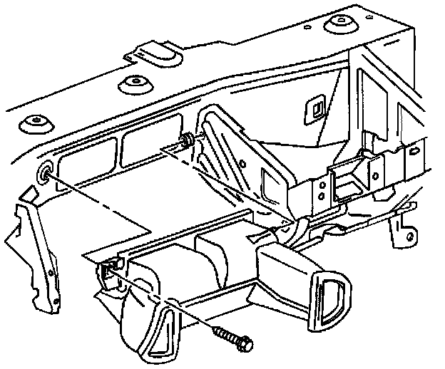
Removal Procedure

1. Remove the instrument panel.





2. Remove the screws and the defroster air distribution duct.





3. Remove the screws and the center air distribution duct.





4. Remove the screws and the side air distribution ducts.

Installation Procedure





1. Install the defroster air distribution duct and the screws.

Tighten
Tighten the air distribution ducts screws to 1.5 N.m (13 lb in).





2. Install the center air distribution duct and the screws.

Tighten
Tighten the air distribution ducts screws to 1.5 N.m (13 lb in).





3. Install the side air distribution ducts and the screws.

Tighten
Tighten the air distribution ducts screws to 1.5 N.m (13 lb in).

4. Install the instrument panel.