Curiosii for ever!: Car repair manuals for everyone.

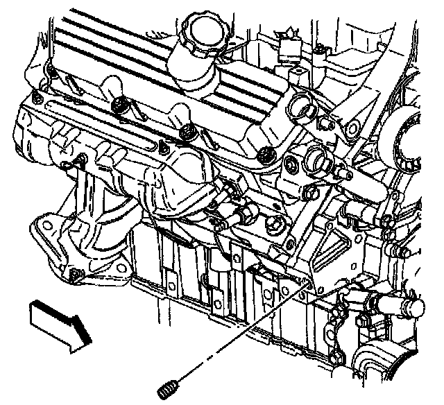
Engine Block Plug Removal






1. Remove the threaded coolant jacket plugs.





2. Remove the remaining plugs using the following procedure.
2.1. Obtain a suitable self-threading screw.
2.2. Drill a hole into the plug.
2.3. Install the self-threading screw.
2.4. Use the screw to pry out the plug.