Curiosii for ever!
: Car repair manuals for everyone.
Home
>>
Oldsmobile
>>
1998
>>
Intrigue V6-3.8L VIN K
>>
Repair and Diagnosis
>>
Diagrams
>>
Electrical Diagrams
>>
Windows
>>
Power Windows
>>
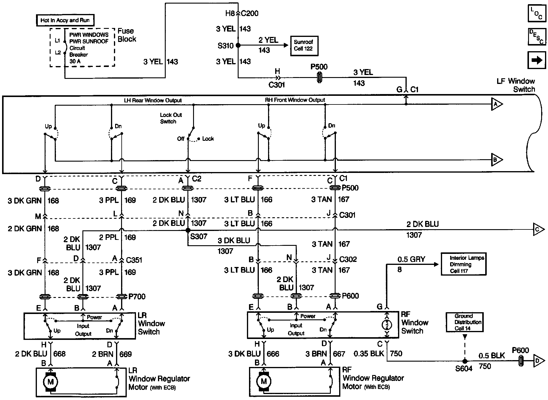
Power Distribution
Power Distribution
Power Window Schematics: Power Distribution, Window SW & Window Regulator Motors: