Curiosii for ever!
: Car repair manuals for everyone.
Home
>>
Oldsmobile
>>
1998
>>
Intrigue V6-3.8L VIN K
>>
Repair and Diagnosis
>>
Diagrams
>>
Electrical Diagrams
>>
Heating and Air Conditioning
>>
System Diagram
>>
With Dual Zone A/C
>>
Air Delivery
>>
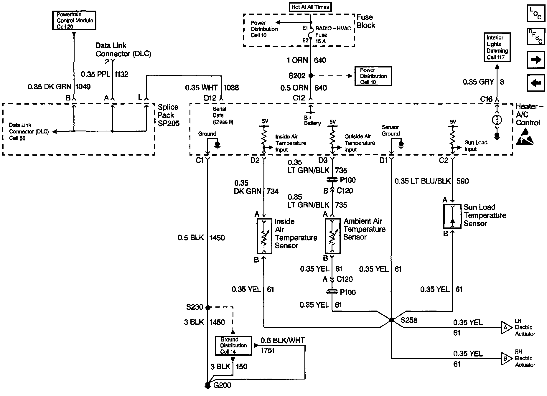
Power & GRD DIST, Heat A/C Control, Serial Data & Sensor Inputs
Power & GRD DIST, Heat A/C Control, Serial Data & Sensor Inputs