Curiosii for ever!: Car repair manuals for everyone.

Air Flow Meter/Sensor: Service and Repair






Removal Procedure

NOTE: Take care not to damage the MAF sensor housing screen. Damage to the screen could restrict airflow possibly resulting in a driveability concern.

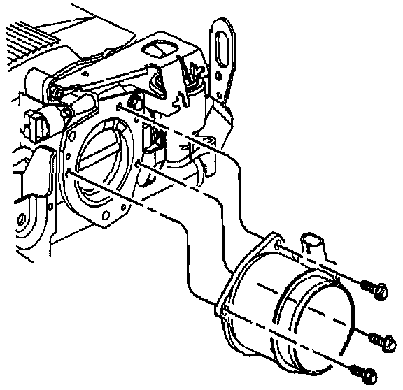
1. Remove the Intake Air duct.
2. Disconnect the MAF sensor electrical connector.
3. Remove the 3 MAF sensor mounting screws.
4. Remove the MAF sensor.

Installation Procedure

NOTE: The outlet of the air cleaner assembly and the MAF sensor inlet duct must line up when completely installed. Misalignment may cause incorrect airflow readings resulting in MIL illumination or a driveability concern. Improper installation of the inlet duct assembly or air cleaner assembly may cause misalignment.

1. Install the MAF sensor assembly. Tighten the MAF sensor assembly bolts to 8 Nm (71 lb. in.).
2. Connect the MAF sensor electrical connector.
3. Install the Intake Air duct. Tighten the Intake Air duct screw clamp to 3 Nm (27 lb. in.).