Curiosii for ever!
: Car repair manuals for everyone.
Home
>>
Oldsmobile
>>
1998
>>
Aurora V8-4.0L VIN C
>>
Repair and Diagnosis
>>
Diagrams
>>
Components
>>
Modules
>>
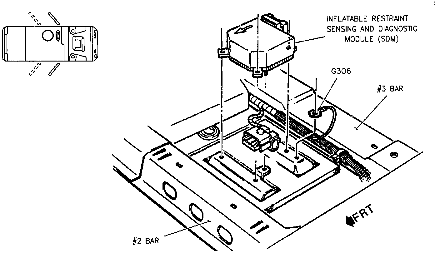
Inflatable Restraint Sensing and Diagnostic Module (SDM)
Inflatable Restraint Sensing and Diagnostic Module (SDM)
Under The Right Hand Front Seat:
Right Hand Front Of Passenger Compartment, Under The Right Hand Front Seat: