Curiosii for ever!: Car repair manuals for everyone.

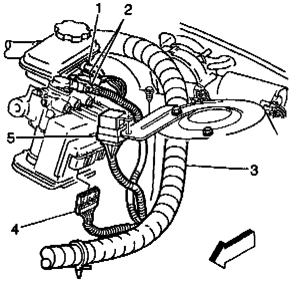
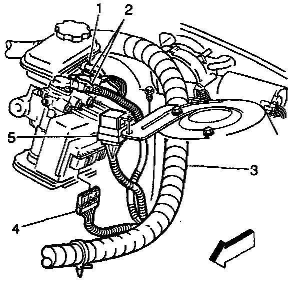
Electronic Brake Control Relay Replacement





REMOVAL PROCEDURE
1. Remove the Electronic Brake Control Relay attaching nut.
2. Disconnect the Electronic Brake Control Relay (5) from the relay harness connector.





INSTALLATION PROCEDURE
1. Connect the Electronic Brake Control Relay (5) to the relay harness connector.
2. install the Electronic Brake Control Relay attaching nut.
^ Tighten the nut to 10 Nm (89 inch lbs.).

3. Perform the Diagnostic System Check.