Curiosii for ever!: Car repair manuals for everyone.

Electronic Brake Control Module: Service and Repair

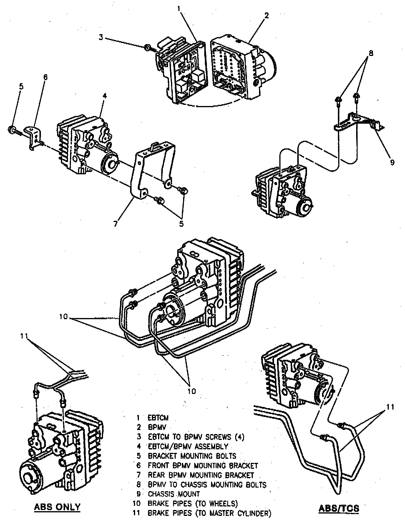
EBTCM/BPMV Assembly Removal:






NOTE: To prevent equipment damage, never connect or disconnect the wiring harness from the Electronic Brake/Traction Control Module (EBCM/EBTCM) with the ignition switch in the "RUN" position. The EBCM/EBTCM cannot be repaired. If faulty, it must be replaced as an assembly.

REMOVE OR DISCONNECT
1. Disconnect negative battery cable.
2. Air cleaner assembly and Powertrain Control Module (PCM) cover.
3. EBCM/EBTCM harness connector and motor ground cable connector.
4. EBCM/EBTCM bracket from vehicle.
5. Four EBCM/EBTCM to Brake Pressure Modulator Valve (BPMV) bolts.
6. EBCM/EBTCM, by pulling rearward until internal connector disengages (Do Not Twist).

CAUTION: Do not pry EBCM/EBTCM. Be careful not to damage seal (if reusing module). If seal is damaged during removal, repair damaged area using GM P/N 123456739 silicone sealer or replace EBCM/EBTCM.

INSTALL OR CONNECT

NOTE: When replacing the EBCM/EBTCM MAGNASTEER must be recalibrated.

1. EBCM/EBTCM to BPMV. Clean EBCM/EBTCM seal and BPMV gasket surface with alcohol. Tighten Four EBCM/EBTCM to BPMV bolts to 4.5 Nm (40 inch lbs.).
2. EBCM/EBTCM bracket. Tighten EBCM/EBTCM center bracket mounting bolt to 14 Nm (10 ft. lbs.).
3. EBCM/EBTCM harness connector and motor ground cable connector. Lock Tab.
4. Air cleaner assembly and PCM cover.
5. Negative battery cable.
6. Recalibrate MAGNASTEER calibration (if equipped).
7. Perform ABS/TCS Functional Check.