Curiosii for ever!: Car repair manuals for everyone.

Main Bearing Torque Specifications

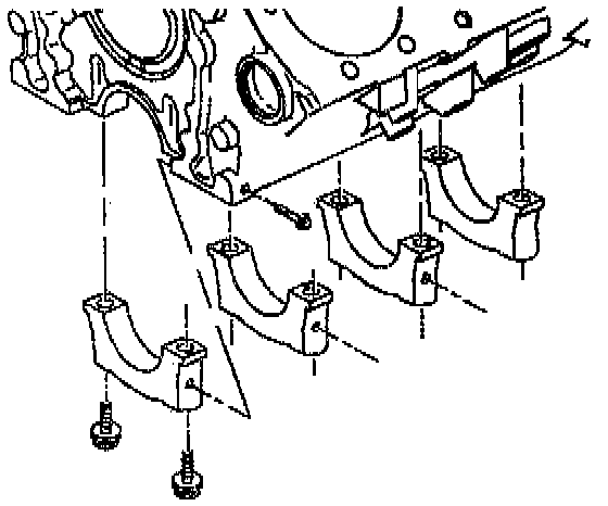
Install the main bearing caps. Use GM approved sealer at the Number 4 main bearing cap to the block surface.

CAUTION: This bolt is designed to permanently stretch when tightened. The correct part number fastener must be used to replace this type of fastener. Do not use a bolt that is stronger in this application. If the correct bolt is not used, the parts will not be tightened correctly. The system or the components may be damaged.

Install the main bearing cap bolts. Start the main bolts by hand. Ensure that the bottom of the cap is parallel to the bottom of the channel.

Tighten all of the caps in equal increments. Do not tighten one cap completely at a time.





Tighten the bolts to 70 Nm (52 ft. lbs.) in order to fully seat the caps. Loosen the bolts 360 degrees counterclockwise.

Tighten the bolts to 20 Nm (15 ft. lbs.), then 40 Nm (30 ft. lbs.).

Use the Torque Angle Meter in order to tighten the bolts in steps: 35 degrees+35 degrees+40 degrees for a total of 110 degrees.

Install the side main bolts. Tighten the side main bolts to 15 Nm (11 ft. lbs.). Use the Torque Angle Meter in order to tighten the bolts an additional 45 degrees.