Curiosii for ever!: Car repair manuals for everyone.

Transmission Position Sensor/Switch: Service and Repair

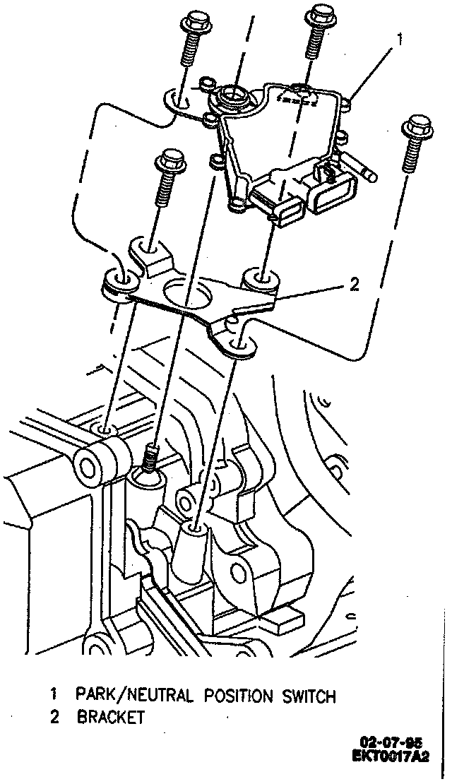
^ Tool Required:
- J 41545 Switch Alignment Tool

REMOVE OR DISCONNECT
1. Set parking brake and set gear selector to "NEUTRAL" (N).
2. Electrical connector.
3. Plug from switch.
4. Linkage retaining nut.
5. Cable and lever.





6. Park/neutral position switch.

INSTALL OR CONNECT
1. Verify transaxle shaft is still in "NEUTRAL" position. If it had been moved, rotate shaft clockwise from "PARK" through "REVERSE" into "NEUTRAL", being careful not to damage the shaft flats, corners, or threads.





Adjust
- New replacement park/neutral position switches are already pinned in the "NEUTRAL" position.
- When installing park/neutral position switch with a sheared pin, insert the alignment tool into the two slots on the switch in the area of the transaxle shaft. Rotate the tool until the rear leg on the tool falls into the slot on the switch near the hose. Verify tool is properly seated in all three slots. Remove tool.

Inspect
- Check for a cracked carrier if pin is sheared or if installing original switch.

2. Park/neutral position switch:
3. Bolts.
- Align flats in park/neutral position switch with transaxle manual shaft flats.
- Press park/neutral position switch onto shaft and fully seat against transaxle.
4. Verify alignment of switch with alignment tool before tightening bolts.

Tighten
- Bolts to 25 Nm (18 lb ft).

5. Remove alignment tool.
6. Cable and lever.
7. Linkage retaining nut.

Tighten
- Nut to 20 Nm (15 lb ft).

8. Plug to switch.
9. Electrical connectors.

Important
- Set parking brake.
- After park/neutral position switch installation, verify that engine starts only in "PARK" (P) or "NEUTRAL" (N). If engine starts in any other position, readjust park/neutral position switch.

NOTICE: Check the shifter for normal freedom of movement and proper shift cable adjustment. Ensure the vehicle has the correct shift control cable and bracket and shift lever. The bracket and lever will be marked as follows: G V8