Curiosii for ever!
: Car repair manuals for everyone.
Home
>>
Oldsmobile
>>
1997
>>
Aurora V8-4.0L VIN C
>>
Repair and Diagnosis
>>
Diagrams
>>
Exploded Views
>>
Charging System
Charging System
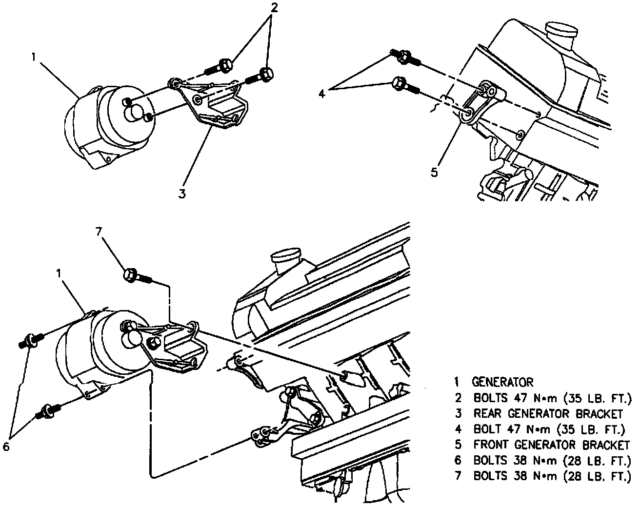
Engine Generator Mounting (L47):