Curiosii for ever!: Car repair manuals for everyone.

Ignition Switch Assembly

IGNITION SWITCH ASSEMBLY

Removing Ignition Switch:




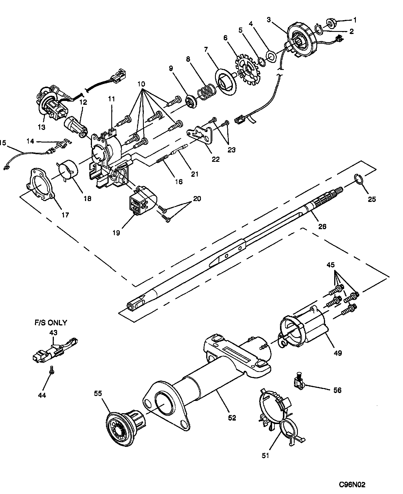
Standard Steering Column (1 Of 2):




Standard Steering Column - Legend (2 Of 2):






REMOVE OR DISCONNECT
1. Negative (-) battery cable.
2. Disable the SIR system.
3. Vehicle wire harness from ignition switch assembly (19).
4. Two tapping screws (20).
5. Ignition switch assembly (19).

INSTALL OR CONNECT
1. Ignition switch assembly (19).
2. Two tapping screws (20).

TIGHTEN
^ Tighten screws (20) to 1.4 Nm (12 lb.in.).

3. Vehicle wire harness to switch assembly (19).
4. If all service operations are completed.
5. Negative (-) battery cable.