Curiosii for ever!
: Car repair manuals for everyone.
Home
>>
Oldsmobile
>>
1996
>>
Aurora V8-4.0L VIN C
>>
Repair and Diagnosis
>>
Diagrams
>>
Components
>>
Miscellaneous Components
>>
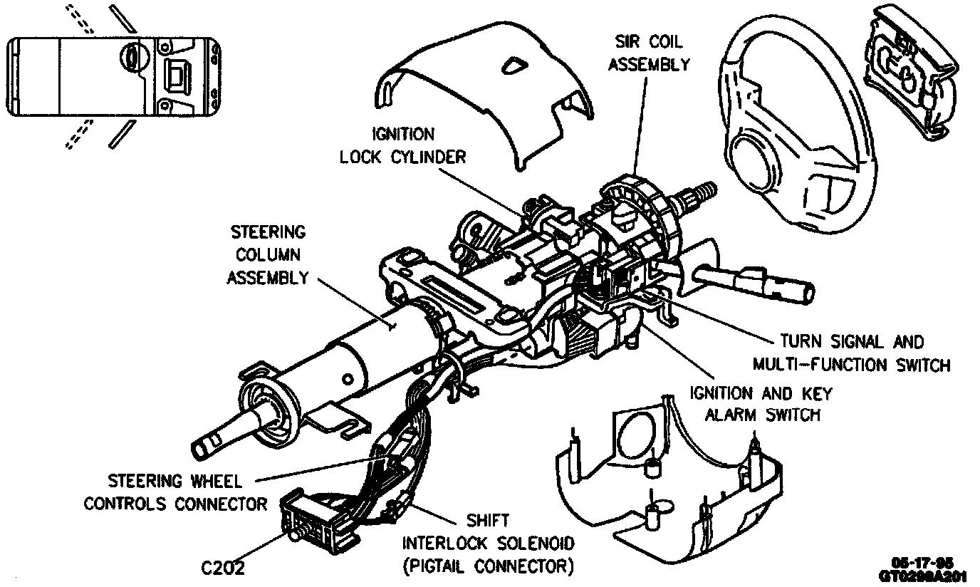
Steering Column Assembly
Steering Column Assembly
LH Front Of Passenger Compartment, Attached To Steering Column Support: