Curiosii for ever!
: Car repair manuals for everyone.
Home
>>
Oldsmobile
>>
1995
>>
Eighty-Eight Royale FWD V6-3.8L SC VIN 1
>>
Repair and Diagnosis
>>
Starting and Charging
>>
Power and Ground Distribution
>>
Diagrams
>>
Electrical Diagrams
>>
Power Distribution Diagrams
>>
Fuses
>>
I/P Fuse Block/Relay Center Fuses
>>
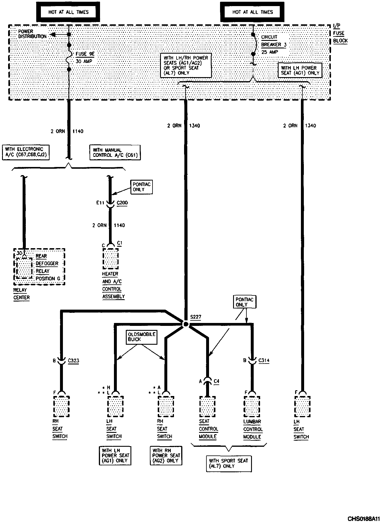
I/P Fuse Block Fuse 9E and Circuit Breaker 3
I/P Fuse Block Fuse 9E and Circuit Breaker 3
I/P Fuse Block Fuse 9E And Circuit Breaker 3: