Curiosii for ever!
: Car repair manuals for everyone.
Home
>>
Oldsmobile
>>
1995
>>
Aurora V8-4.0L VIN C
>>
Repair and Diagnosis
>>
Diagrams
>>
Electrical Diagrams
>>
Cruise Control
>>
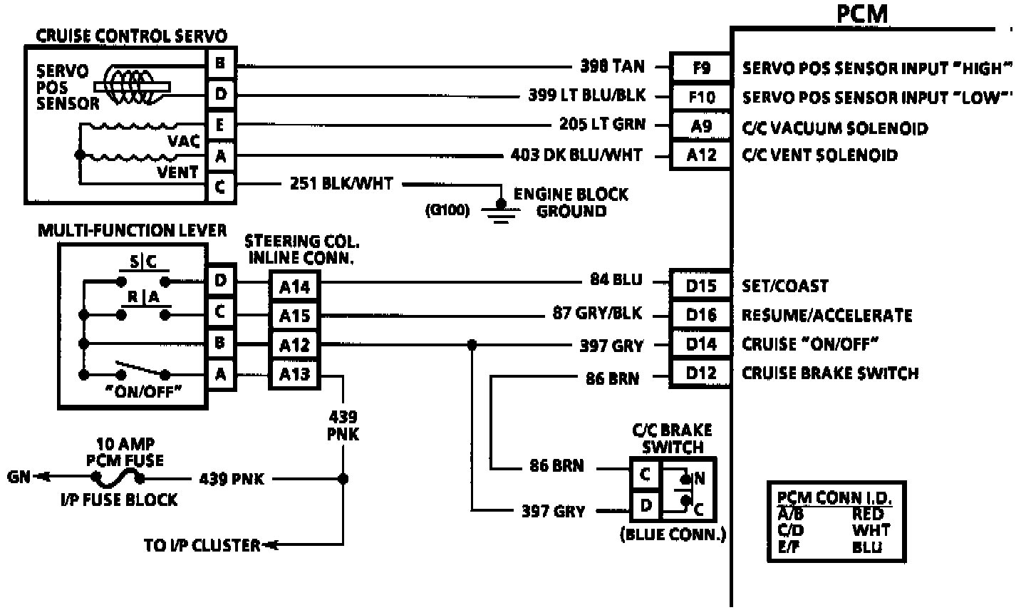
Control Module to PCM Wiring Schematic
Control Module to PCM Wiring Schematic
Fig. 7 Cruise Control System Check & Diagnostic Trouble Code Wiring Diagram.: