Curiosii for ever!
: Car repair manuals for everyone.
Home
>>
Oldsmobile
>>
1995
>>
Achieva V6-3100 3.1L VIN M SFI
>>
Parts and Labor
>>
Starting and Charging
>>
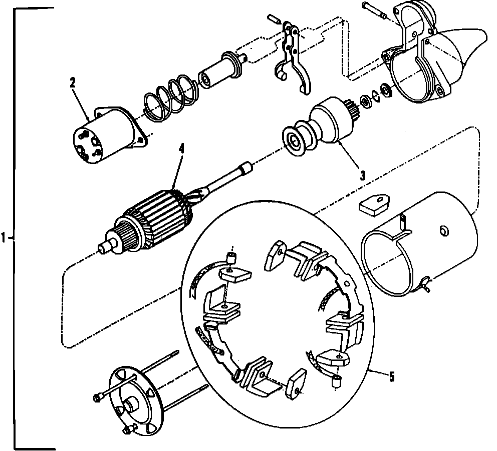
Starting System
>>
Images
Images
Starting System: