Curiosii for ever!: Car repair manuals for everyone.

Oxygen Sensor: Testing and Inspection

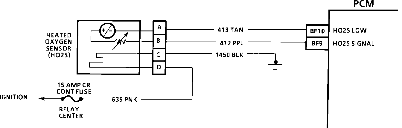
Heated Oxygen Sensor (HO2S) Circuit:





Visual Inspection:
^ Connectors and wires
^ Housing and insulator for cracks/damage
^ Sensor tip for silicone contamination (white powdery coating)

Performance Test: Checks working range and response (speed).

1. Warm engine

2. Install DVOM between sensor and ground (2 volt D.C. range)

NOTE: Leave the electrical connection between the Engine Computer and the Oxygen sensor intact. Use of a test lead at the oxygen sensor connector is recommended.

3. "RUN" engine at steady cruise speed (about 2500 rpm)
^ Voltage should vary at least eight times in ten seconds between 0.2 and 0.8 volts (normal range).

4. Drive system rich: The use of a properly adjusted propane flow-meter (J-26911) is industry standard.
^ Voltage should increase to at least 0.8 volts within two to three seconds.

5. Drive system lean: Create a vacuum leak from a source that is not a PCM input or output.
^ Voltage should drop to at least 0.3 volts within two to three seconds.

NOTE: After each test the O2 sensor should return to normal operating range within two to three seconds.

6. Turn ignition "OFF". Disconnect electrical connector.

7. Using an ohmmeter, measure resistance between terminals C and D.
Resistance @ Specified Temperature
3.5 ohms @ 20°C (68°F)
14 ohms @ 350°C (622°F)

8. O2 Sensor should be replaced for failure to pass any of the tests above.

NOTE: A Computerized Engine Control system that is operating excessively rich or lean will drive the 02 sensor to its maximum range and should be repaired first and not diagnosed as a 02 sensor failure.

9. Reconnect all electrical connectors. Clear all codes set and retrain idle.

10. When two oxygen sensors are utilized, test one and repeat procedure for the other oxygen sensor.