Curiosii for ever!
: Car repair manuals for everyone.
Home
>>
Oldsmobile
>>
1994
>>
Cutlass Supreme V6-204 3.4L DOHC
>>
Repair and Diagnosis
>>
Powertrain Management
>>
Diagrams
>>
Electrical Diagrams
>>
Electronic/Powertrain Control Module (ECM/PCM)
Electronic/Powertrain Control Module (ECM/PCM)
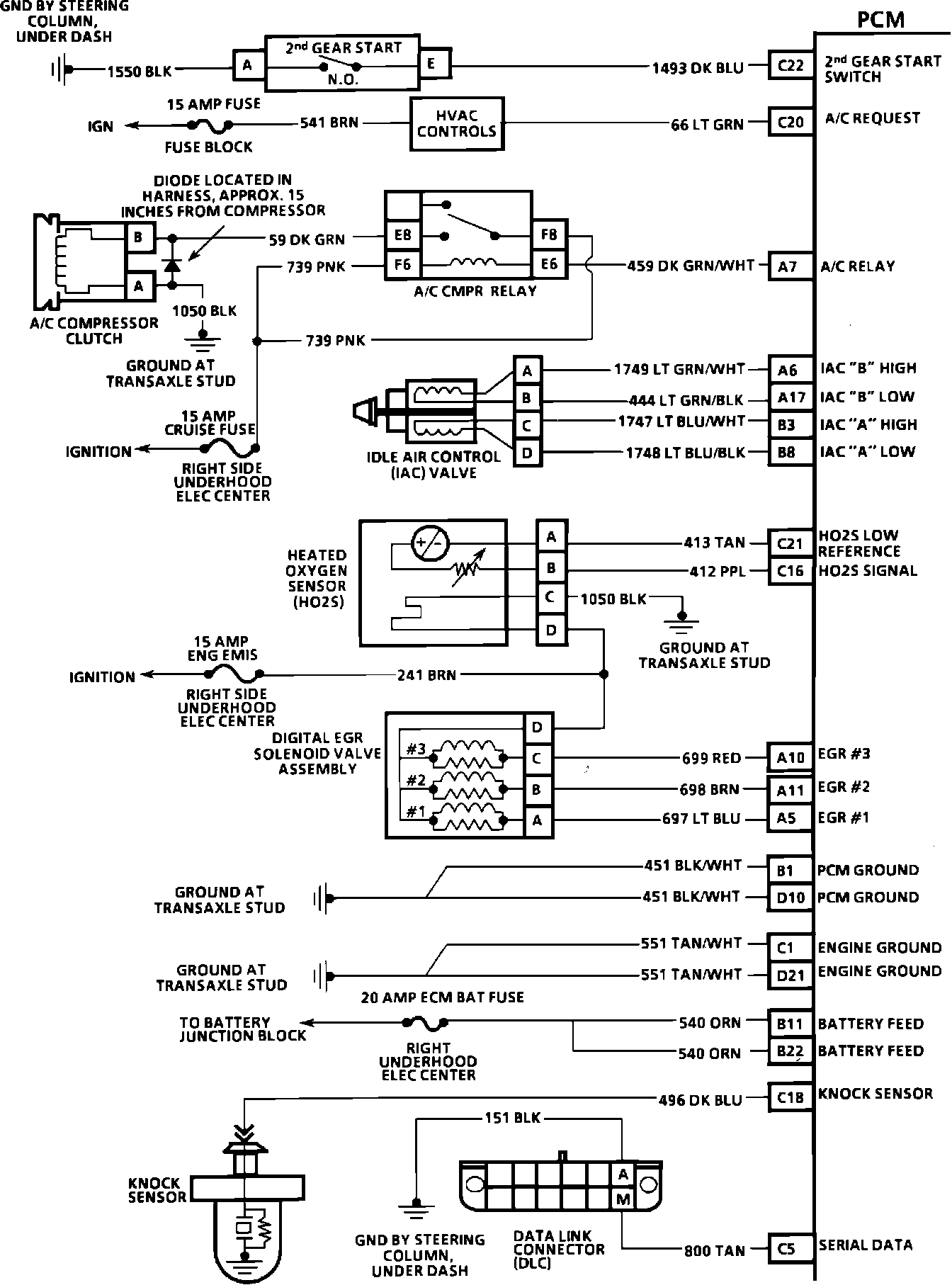
Engine Management Wiring Diagram (1 Of 4):
1 of 4
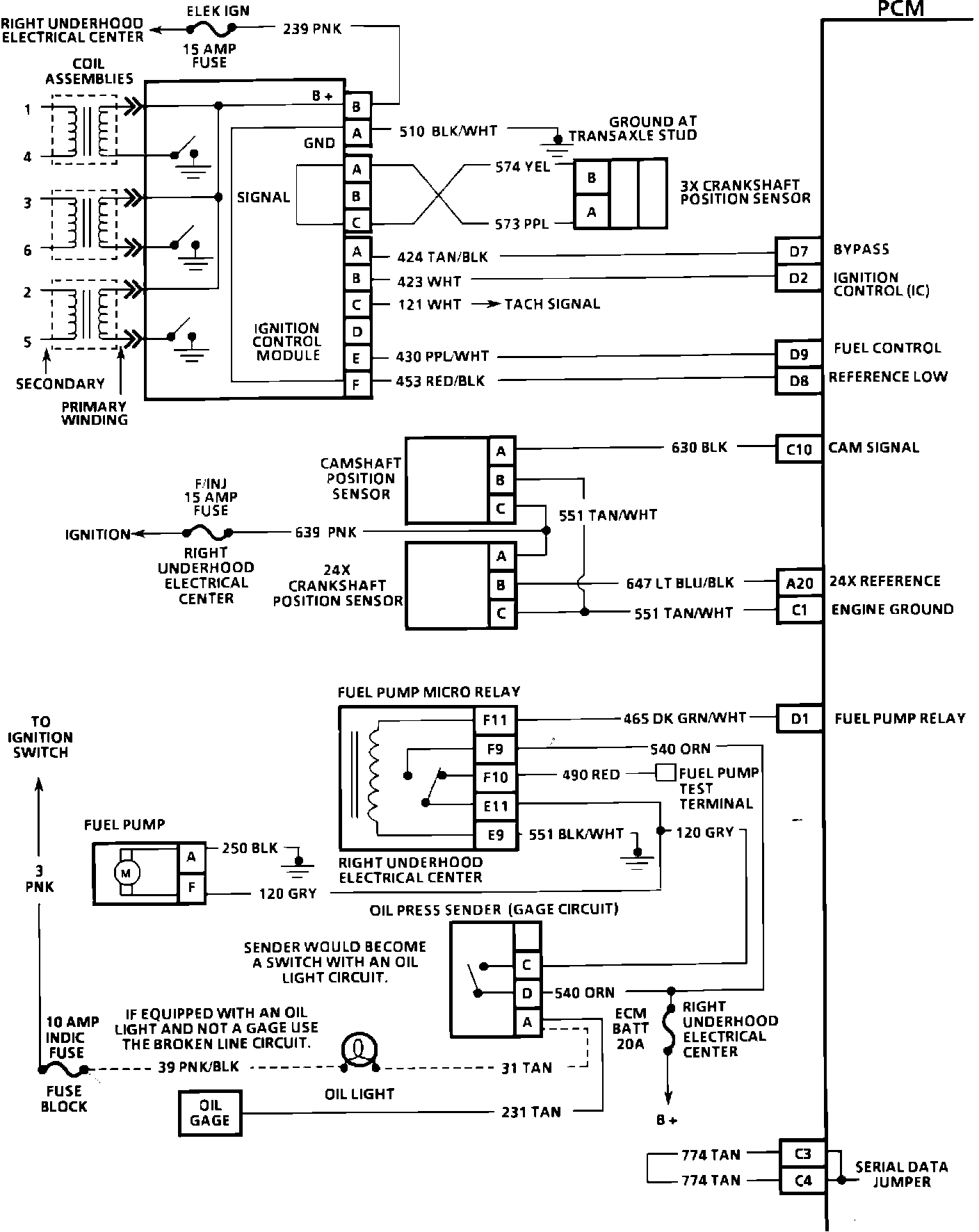
Engine Management Wiring Diagram (2 Of 4):
2 of 4
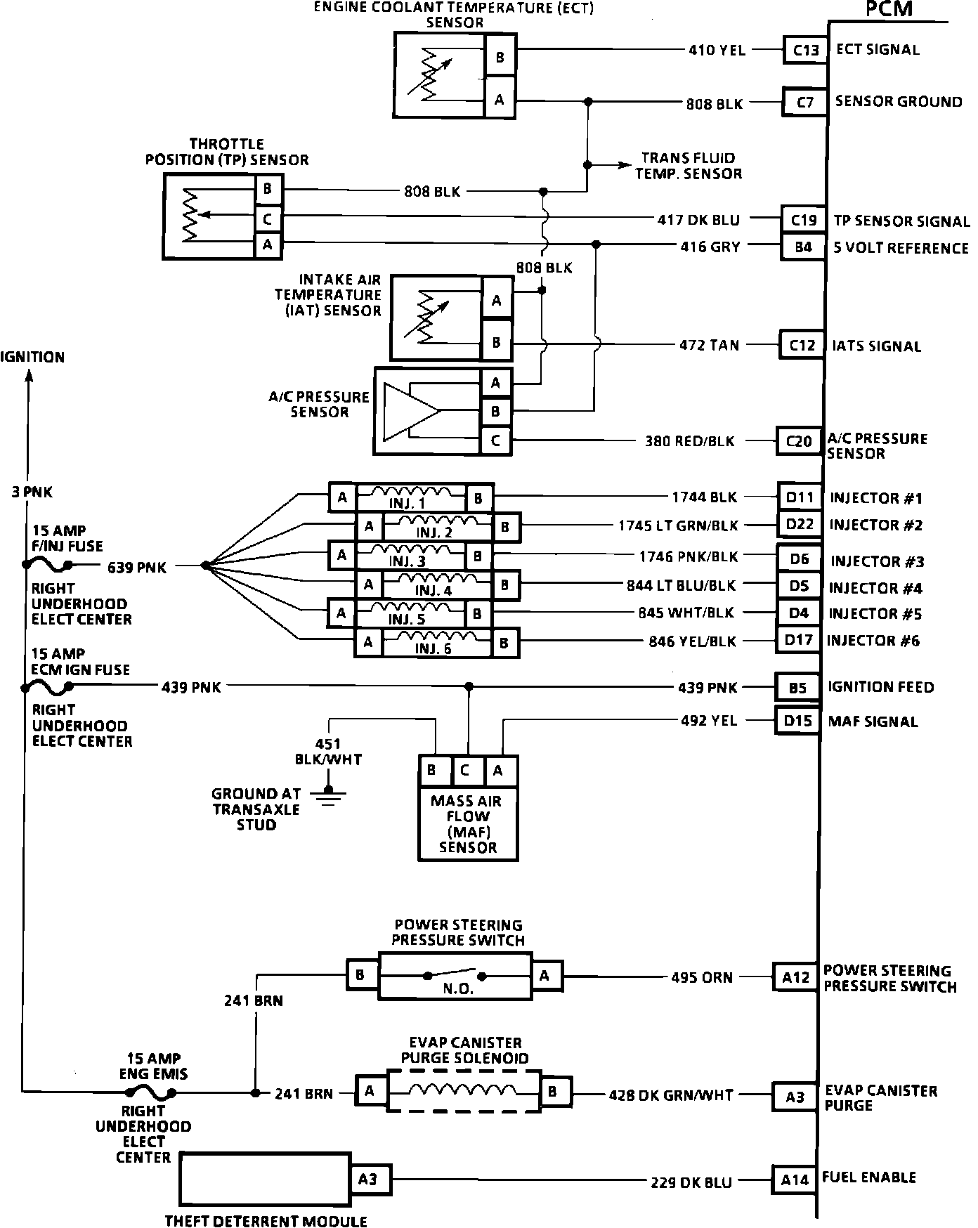
Engine Management Wiring Diagram (3 Of 4):
3 of 4
Engine Management Wiring Diagram (4 Of 4):
4 of 4