Curiosii for ever!
: Car repair manuals for everyone.
Home
>>
Oldsmobile
>>
1994
>>
Cutlass Supreme V6-204 3.4L DOHC
>>
Repair and Diagnosis
>>
Diagrams
>>
Electrical Diagrams
>>
Antitheft and Alarm Systems
>>
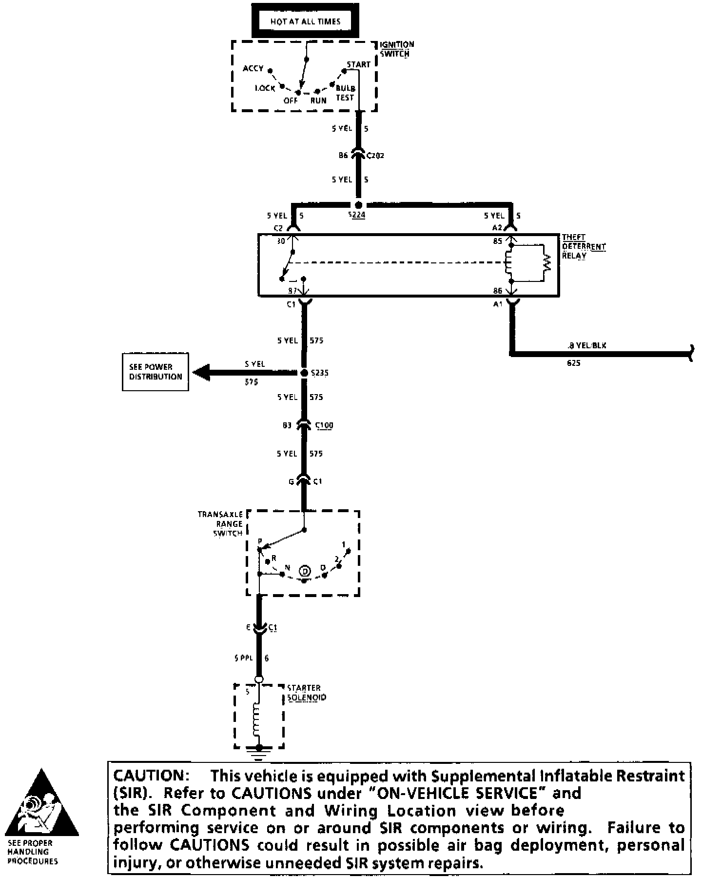
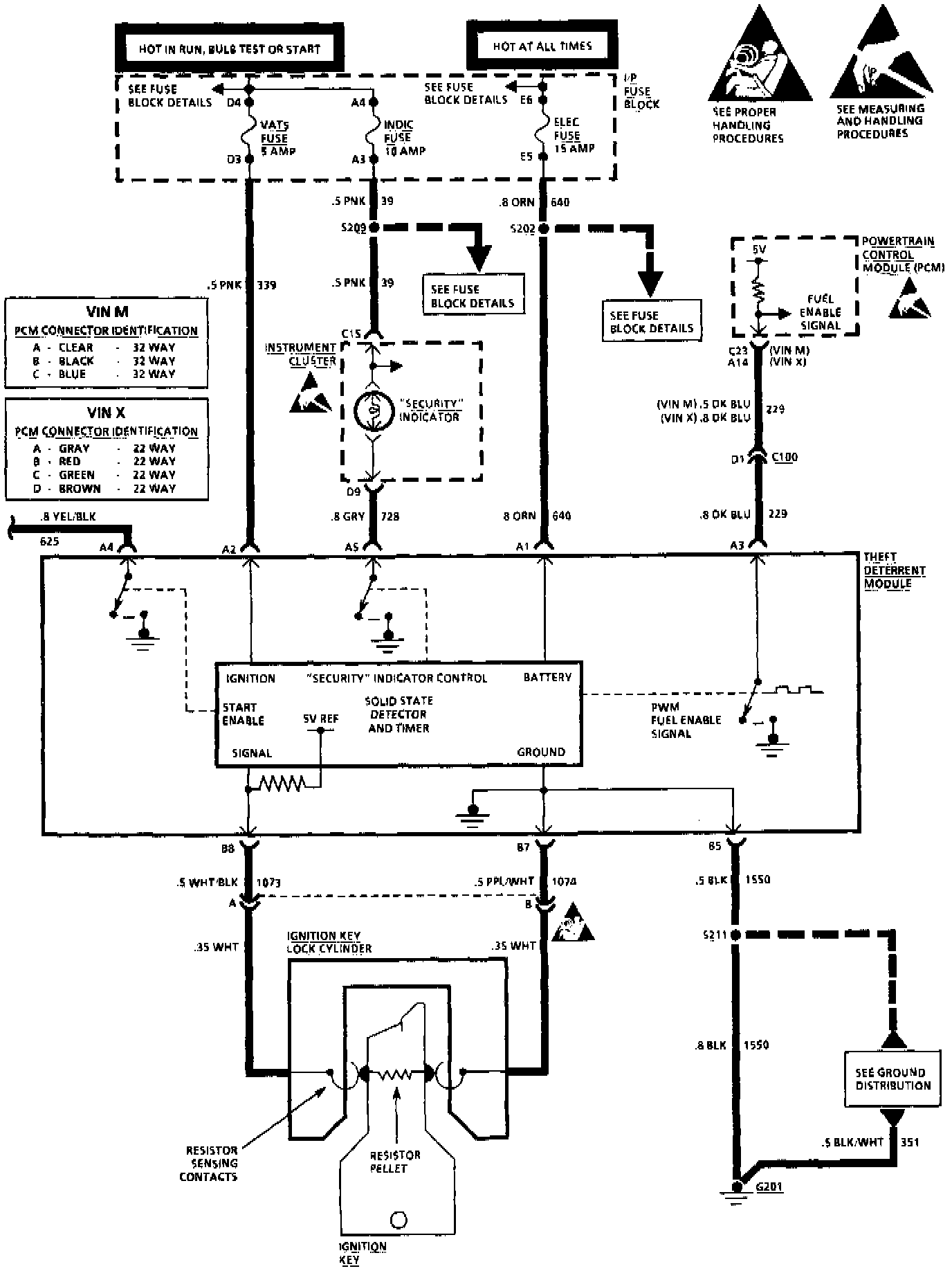
Alarm Module, (Vehicle Antitheft)
Alarm Module, (Vehicle Antitheft)
Theft Deterrent System - Part 1 of 2:
Theft Deterrent System - Part 2 of 2: