Curiosii for ever!
: Car repair manuals for everyone.
Home
>>
Oldsmobile
>>
1994
>>
Achieva L4-138 2.3L VIN A FI HP
>>
Repair and Diagnosis
>>
Locations
>>
Connector Locations
>>
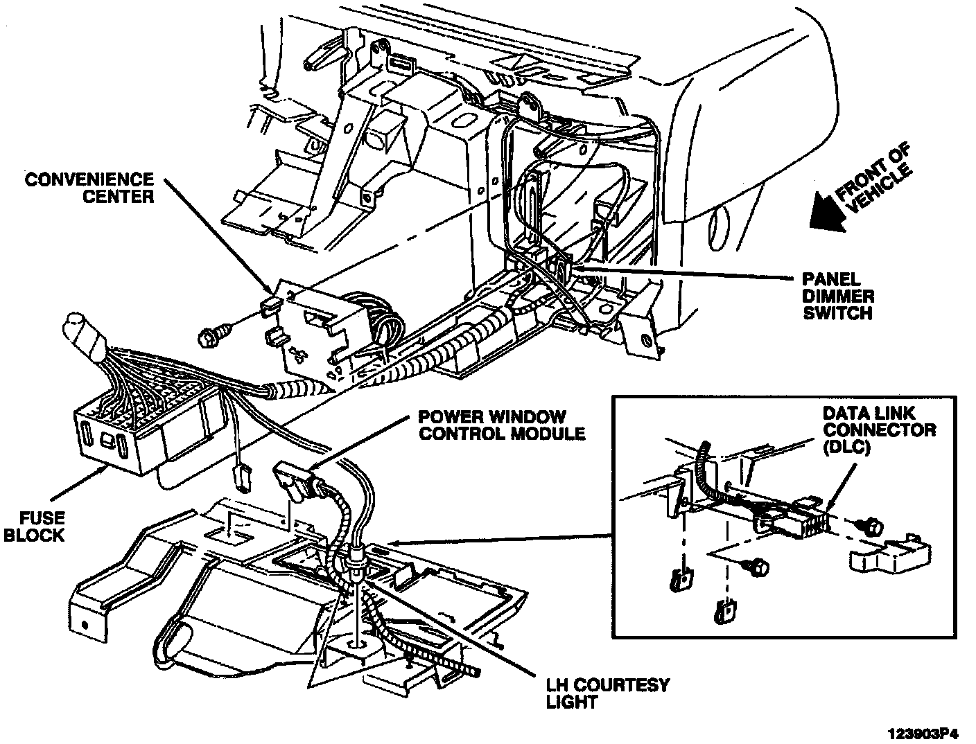
Data Link Connector
Data Link Connector
Behind LH Side Of I/P: