Curiosii for ever!: Car repair manuals for everyone.

Steering Column - Tilt Column

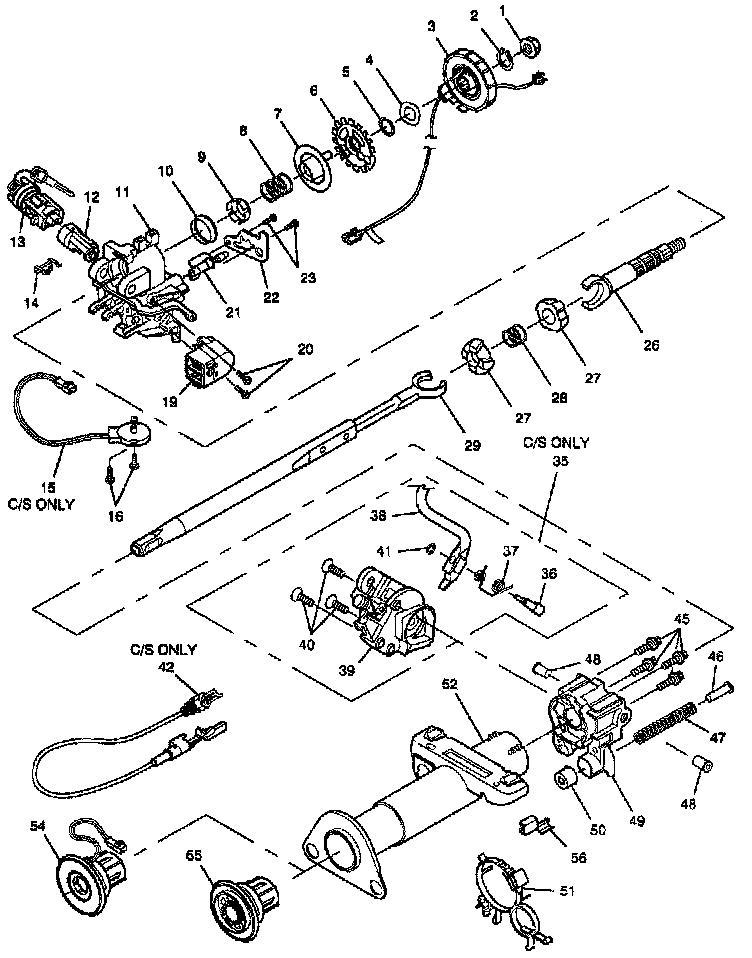
Expanded View Of Tilt Steering Wheel W/SIR:






1- NUT, HEX LOCKING (M14x1.5)
2- RING, RETAINING
3- COIL ASM, SIR
4- WASHER, WAVE
5- RING, RETAINING
6- LOCK, SHAFT
7- CAM ASM, T/SIG CANCEL
8- SPRING, UPPER BEARING
9- SEAT, UPPER BEARING INNER RACE
10- RACE, INNER
11- HOUSING ASM, BRG &
12- ACTUATOR ASM, IGNITION LOCK
13- LOCK CYL SET, STRG COLUMN
14- SPRING, LOCK PRE-LOAD
15- SOLENOID ASM, INTERLOCK
16- SCREW, TAPPING
19- SWITCH ASM, IGNITION
20- SCREW, TAPPING
21- BOLT ASM, LOCK
22- BRACKET, LOCK BOLT SUPPORT
23- SCREW, TAPPING
26- SHAFT ASM, RACE & UPPER
27- SPHERE, CENTERING
28- SPRING, SHAFT PRELOAD
29- SHAFT ASM, LOWER
35- SHIFT ASM, LINEAR
36- PIN, SHIFT LEVER
37- SPRING, SHIFT LEVER
38- LEVER ASM, LINEAR SHIFT
39- ADAPTER, LINEAR SHIFT BASE (N.S.)
40- SCREW~ FLAT HD TAPPING
41. CLIP, SHIFT LEVER
42- CABLE ASM, PARK LOCK
45- SCREW, SUPPORT
46- GUIDE, SPRING
47- SPRING, TILT WHEEL
48- PIN, PIVOT
49- SUPPORT ASM, STRG COL JACKET
50- RETAINER, SPRING
51- STRAP, WIRE
52- JACKET ASM, STRG COL
54- BUSHING ASM, POSITION SENSOR &
55. BUSHING ASM, COLUMN JACKET
56- CLIP, WIRE RESTRAINT

SERVICE KITS
201- SPRING SERV KIT, TILT COLUMN -INCLUDES: 9,10,47
202- SPHERE SERV KIT, TILT COLUMN -INCLUDES: 27,28
203- GREASE SERV KIT, (SYNTHETIC)