Curiosii for ever!
: Car repair manuals for everyone.
Home
>>
Oldsmobile
>>
1992
>>
Cutlass Supreme FWD V6-204 3.4L DOHC
>>
Repair and Diagnosis
>>
Diagrams
>>
Electrical Diagrams
>>
Powertrain Management
>>
System Diagram
>>
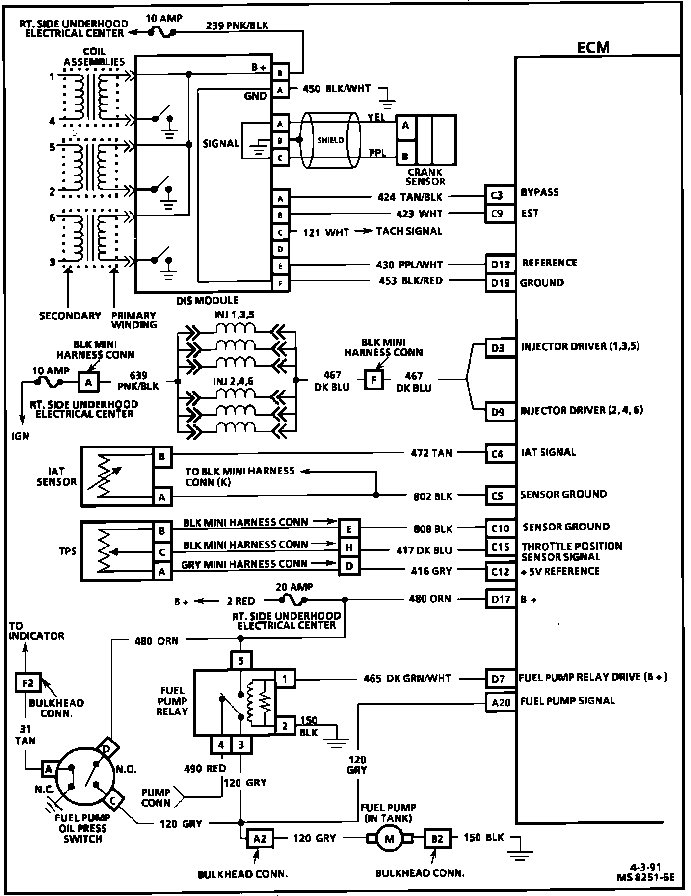
Electronic/Powertrain Control Module (ECM/PCM)
Electronic/Powertrain Control Module (ECM/PCM)
Engine Management Wiring Diagram (1 Of 3):
1 of 3
Engine Management Wiring Diagram (2 Of 3):
2 of 3
Engine Management Wiring Diagram (3 Of 3):
3 of 3