Curiosii for ever!
: Car repair manuals for everyone.
Home
>>
Oldsmobile
>>
1992
>>
Achieva V6-3300 3.3L
>>
Repair and Diagnosis
>>
Diagrams
>>
Exploded Views
>>
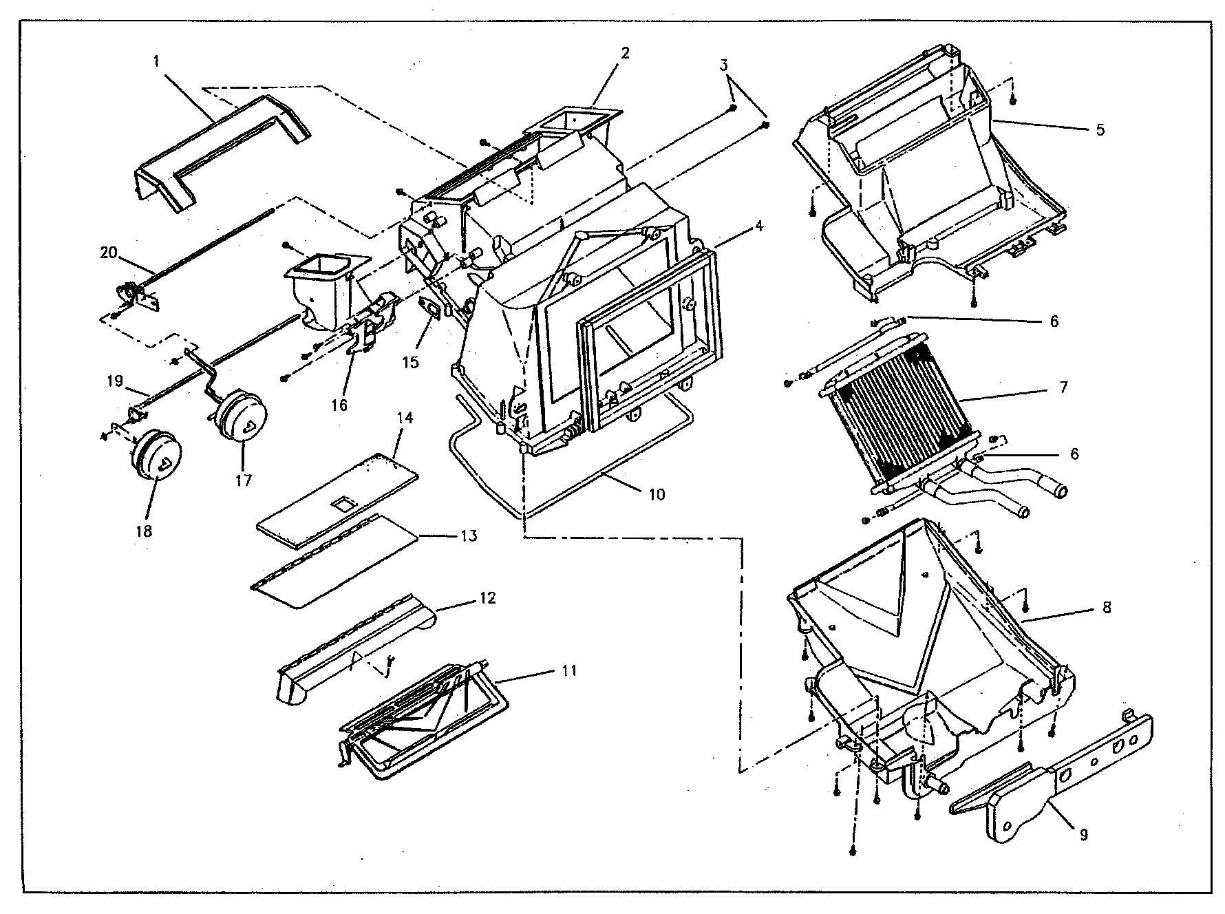
Heater Core
>>
Without Air Conditioning
Without Air Conditioning