Curiosii for ever!
: Car repair manuals for everyone.
Home
>>
Oldsmobile
>>
1991
>>
Toronado V6-3800 3.8L
>>
Repair and Diagnosis
>>
Powertrain Management
>>
Diagrams
>>
Electrical Diagrams
>>
Powertrain Controls
>>
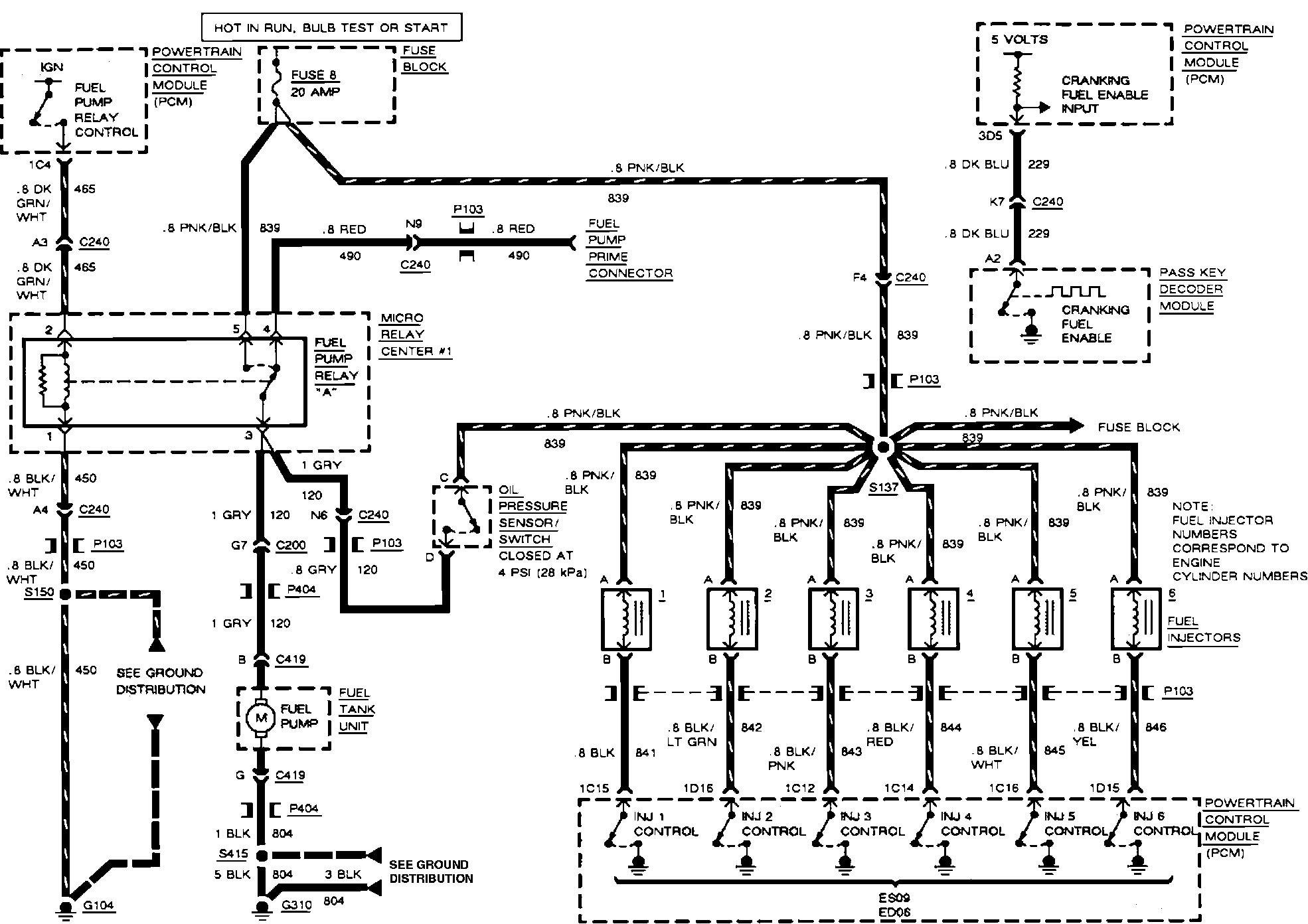
Fuel Control
Fuel Control
Sequential Fuel Injection. Fuel Control & Injectors.: