Curiosii for ever!: Car repair manuals for everyone.

Headlamps Are on Chime

Headlamps Are On Chime:




Parklamp Circuit:






DESCRIPTION:

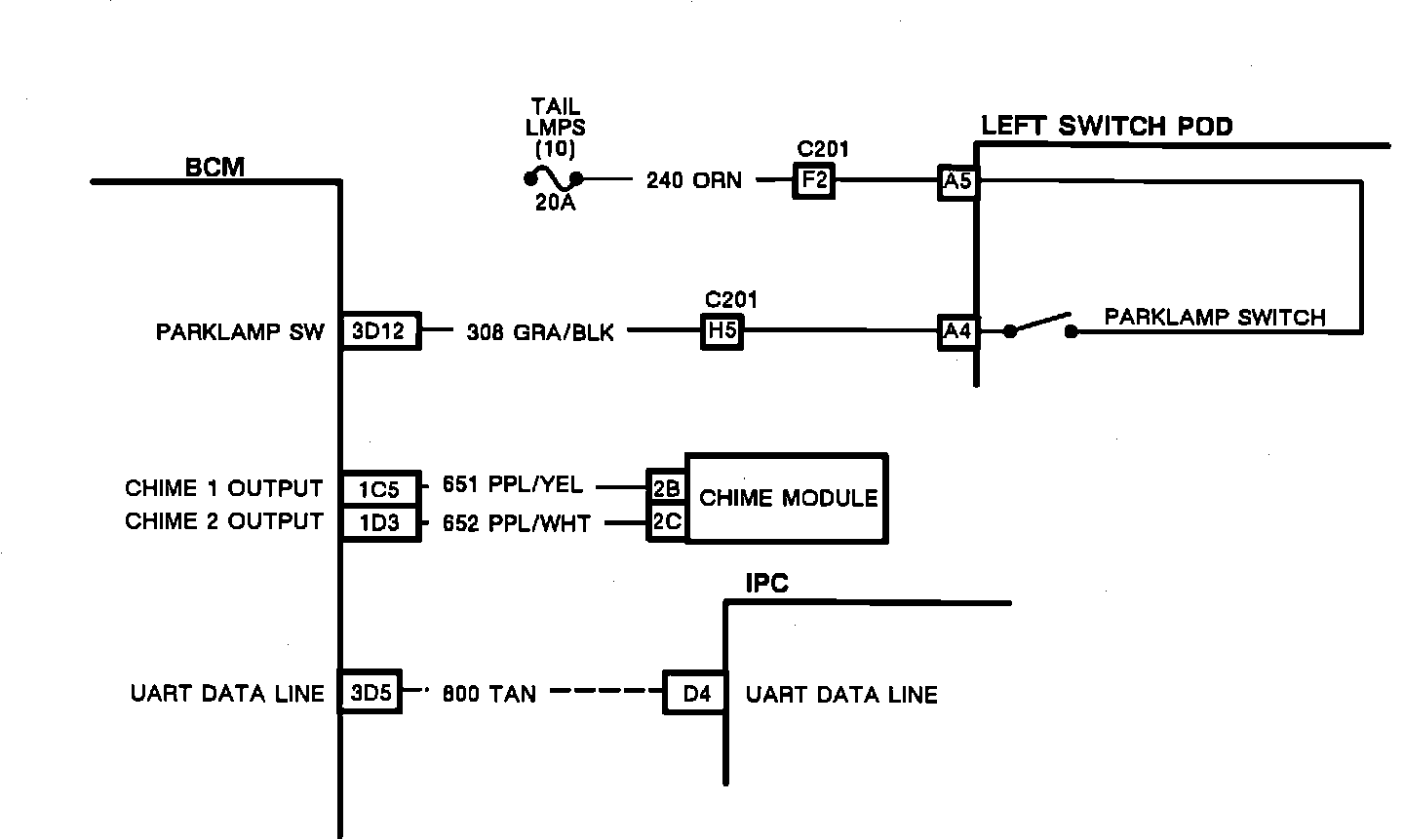
The Tail lamps fuse #10 provides system voltage to the park light switch in the left switch pod. When the parklamp switch is closed, it sends voltage to the BCM. The BCM internally monitors the voltage level of the park light circuit at pin 3D12. When the parklamp switch is open the BCM will detect 0 volts, but if the park light switch is closed (the parklamps/headlamps are turned "ON"), the BCM will detect system voltage at pin 3D12. Once the BCM has determined that all of the failure conditions have been met, it will turn "ON" the fast paced chime on the chime module and the "LIGHTS ON" indicator on the IPC.

TEST CONDITIONS:

NONE.

FAILURE CONDITIONS:

1. Parklamp switch is "ON."
2. Key not in ignition.
3. Driver door is open.
4. Ignition is "OFF."

ACTION TAKEN:

1. Activate the fast paced chime on the chime module.
2. Illuminate the "LIGHTS ON" indicator on the IPC.