Curiosii for ever!
: Car repair manuals for everyone.
Home
>>
Oldsmobile
>>
1991
>>
Toronado V6-3800 3.8L
>>
Repair and Diagnosis
>>
Diagrams
>>
Electrical Diagrams
>>
Powertrain Management
>>
System Diagram
>>
Electronic/Powertrain Control Module (ECM/PCM)
>>
Part 3
Part 3
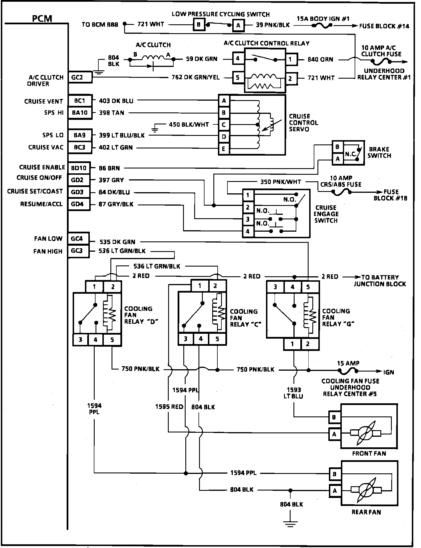
PCM Schematic (3 Of 3):
GC2
= A/C Clutch Driver
BC1
= Cruise Vent
BA10
= SPS HI
BA9
= SPS LO
BC3
= Cruise Vacuum
BD10
= Cruise Enable
GD2
= Cruise ON/OFF
GD3
= Cruise Set/Coast
GD4
= Resume/Accel
GC4
= Fan Low
GC3
= Fan High