Curiosii for ever!
: Car repair manuals for everyone.
Home
>>
Oldsmobile
>>
1991
>>
Delta 88 V6-3800 3.8L
>>
Repair and Diagnosis
>>
Diagrams
>>
Electrical Diagrams
>>
Powertrain Management
>>
System Diagram
>>
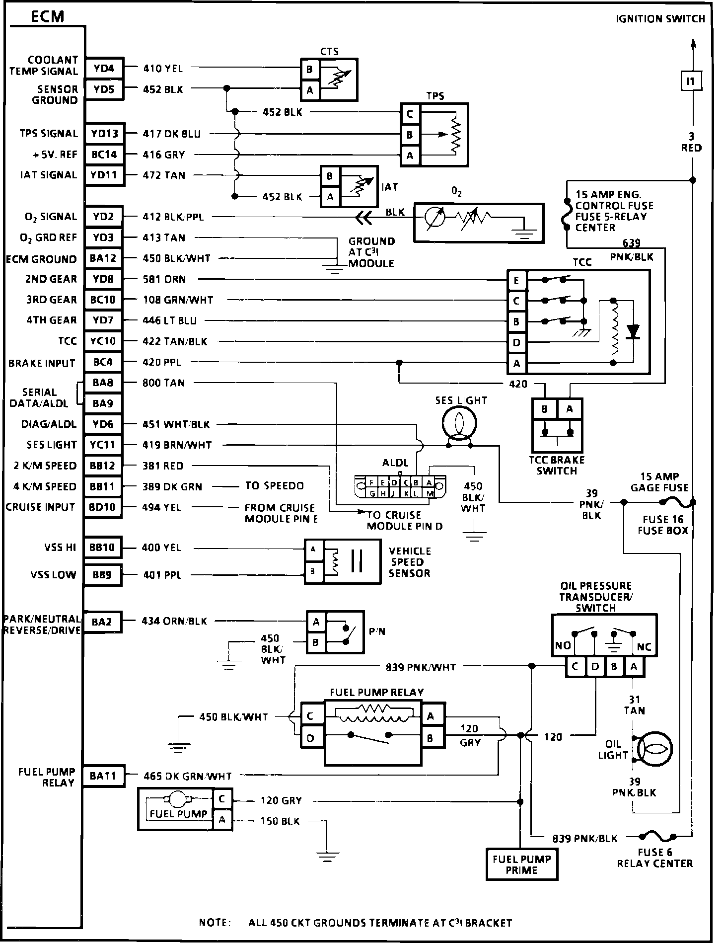
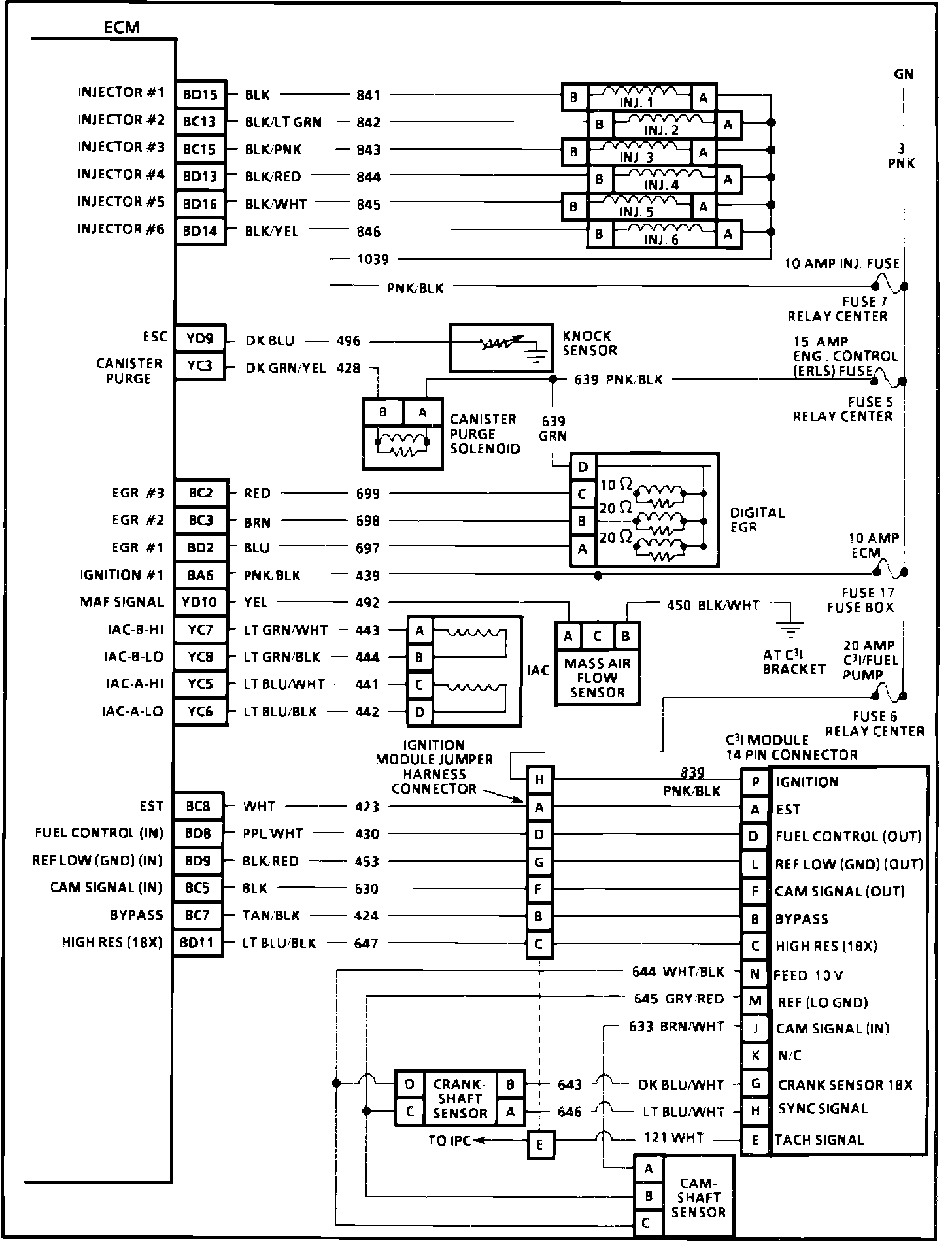
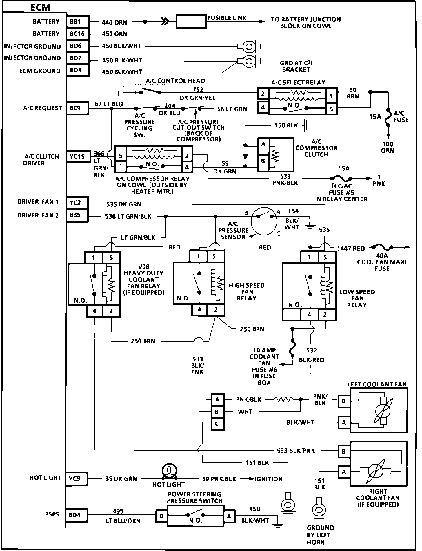
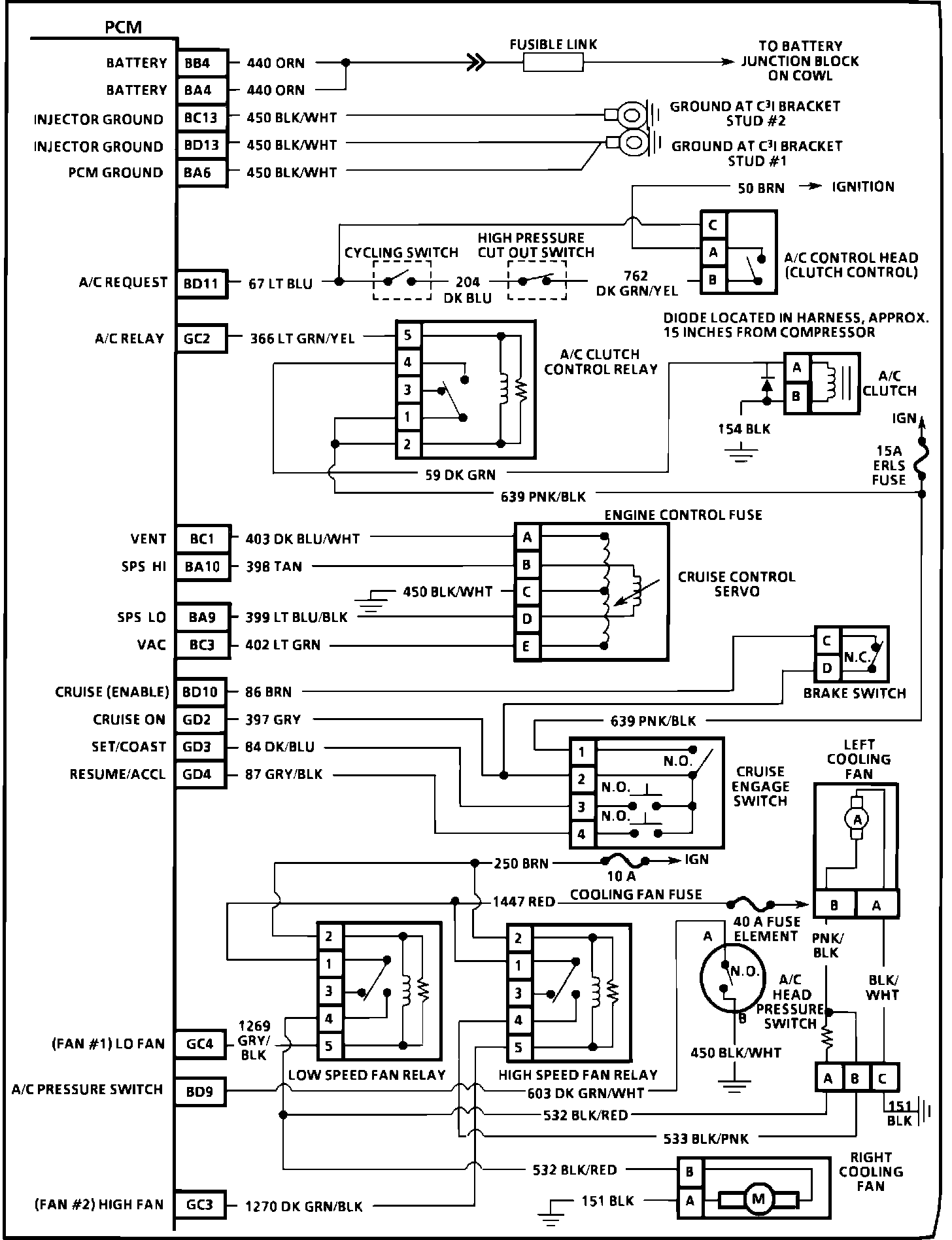
Electronic/Powertrain Control Module (ECM/PCM)
Electronic/Powertrain Control Module (ECM/PCM)
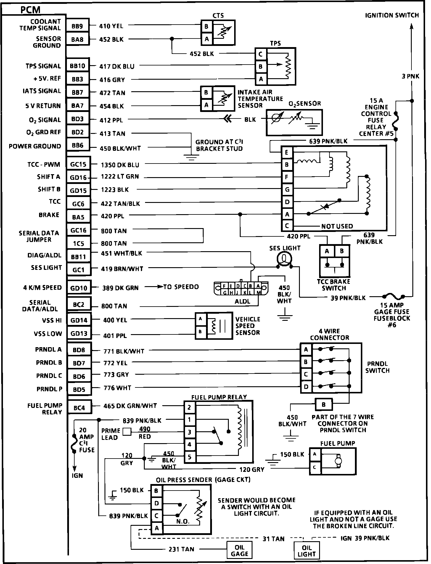
Powertrain Control Module (PCM):
Powertrain Control Module (PCM):
Powertrain Control Module (PCM):
Electronic Control Module (ECM):
Electronic Control Module (ECM):
Electronic Control Module (ECM):