Electronic/Powertrain Control Module (ECM/PCM)
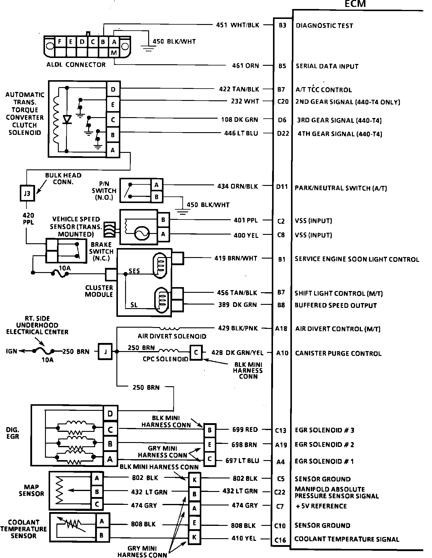
ECM Wiring Diagram (Part 1 Of 3):
B3 = DIAGNOSTIC TEST
B5 = SERIAL DATA INPUT
B7 = A/T TCC CONTROL
C20 = 2ND GEAR SIGNAL (440-T4 ONLY)
D6 = 3RD GEAR SIGNAL (440-T4 ONLY)
D22 = 4TH GEAR SIGNAL (440-T4 ONLY)
D11 = PARK/NEUTRAL SWITCH (A/T)
C2 = VSS (INPUT)
C8 = VSS (INPUT)
B1 = "SERVICE ENGINE SOON" LIGHT CONTROL
B7 = SHIFT LIGHT CONTROL ()M/T)
B8 = BUFFERED SPEED OUTPUT
A18 = AIR DIVERT CONTROL (M/T)
A10 = CANISTER PURGE CONTROL
C13 = EGR SOLENOID #3
A19 = EGR SOLENOID #2
A4 = EGR SOLENOID #1
C5 = SENSOR GROUND
C22 = MANIFOLD ABSOLUTE PRESSURE SENSOR SIGNAL
C7 = +5V REFERENCE
C10 = SENSOR GROUND
C16 = COOLANT TEMPERATURE SIGNAL
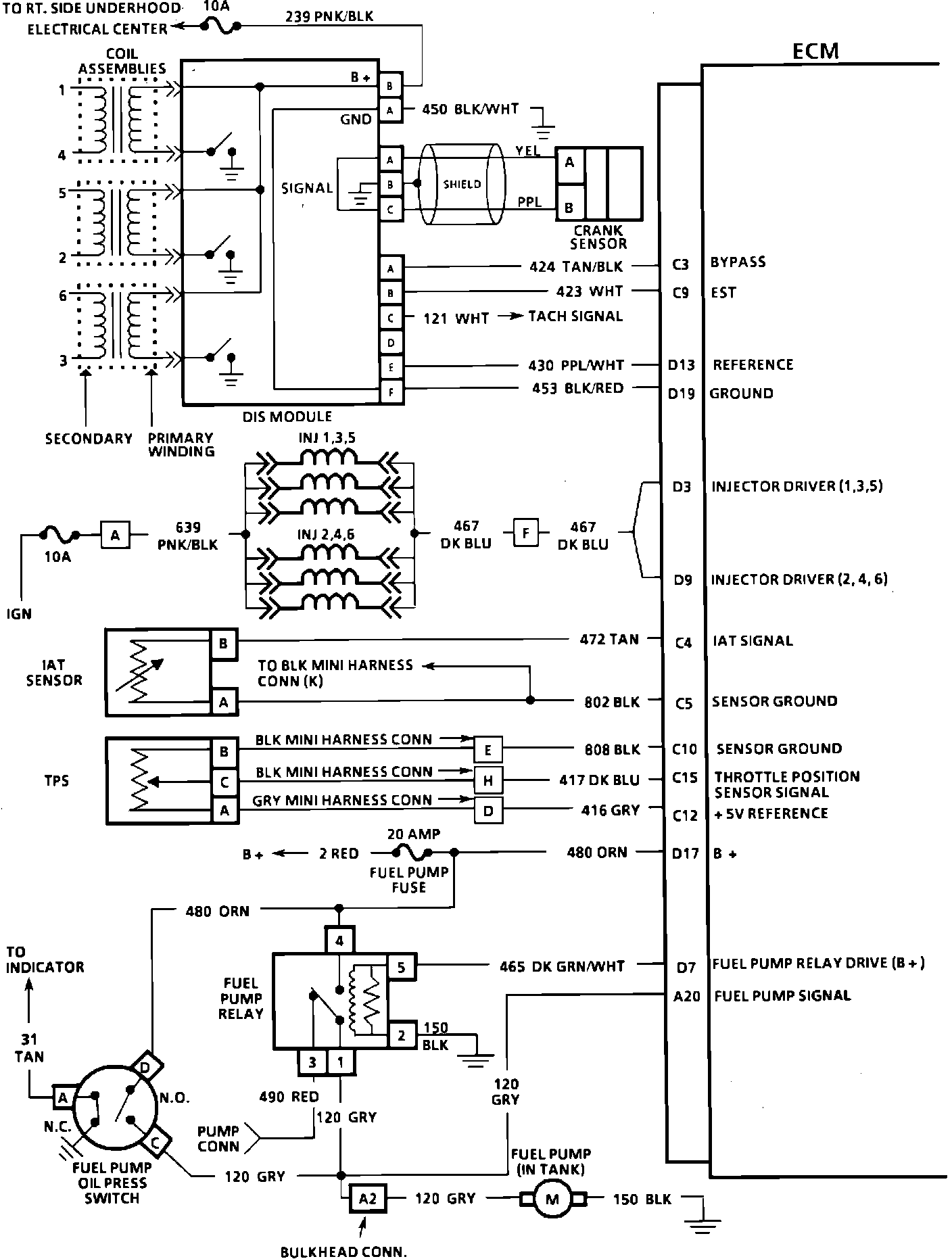
ECM Wiring Diagram (Part 2 Of 3):
C3 = BYPASS
C9 = EST
D13 = REFERENCE
D19 = GROUND
D3 = INJECTOR DRIVER (1,3,5)
D9 = INJECTOR DRIVER (2,4,6)
C4 = IAT SIGNAL
C5 = SENSOR GROUND
C10 = SENSOR GROUND
C15 = THROTTLE POSITION SENSOR SIGNAL
C12 = +5V REFERENCE
D17 = B+
D7 = FUEL PUMP RELAY DRIVE (B+)
A20 = FUEL PUMP SIGNAL
ECM Wiring Diagram (Part 3 Of 3):
A1 = COIL "A" HI
A7 = COIL "A" LO
A8 = COIL "B" HI
A2 = COIL "B" LO
D4 = ECM & INJECTOR DRIVER GROUND
C6 = ECM & INJECTOR DRIVER GROUND
D10 = ECM & INJECTOR DRIVER GROUND
D12 = ECM & INJECTOR DRIVER GROUND
A22 = OXYGEN SENSOR GROUND
A16 = OXYGEN SENSOR SIGNAL
B10 = ISOLATED IGNITION FEED
D16 = POWER STEERING SIGNAL
A11 = ESC SIGNAL
A9 = FAN #1 CONTROL
A3 = FAN #2 CONTROL
C7 = +5V REFERENCE
C21 = A/C PRESSURE SIGNAL
C5 = SENSOR GROUND
C17 = A/C REQUEST
A12 = A/C CONTROL