Curiosii for ever!: Car repair manuals for everyone.

Electronic/Powertrain Control Module (ECM/PCM)




Engine Controls (ECM):







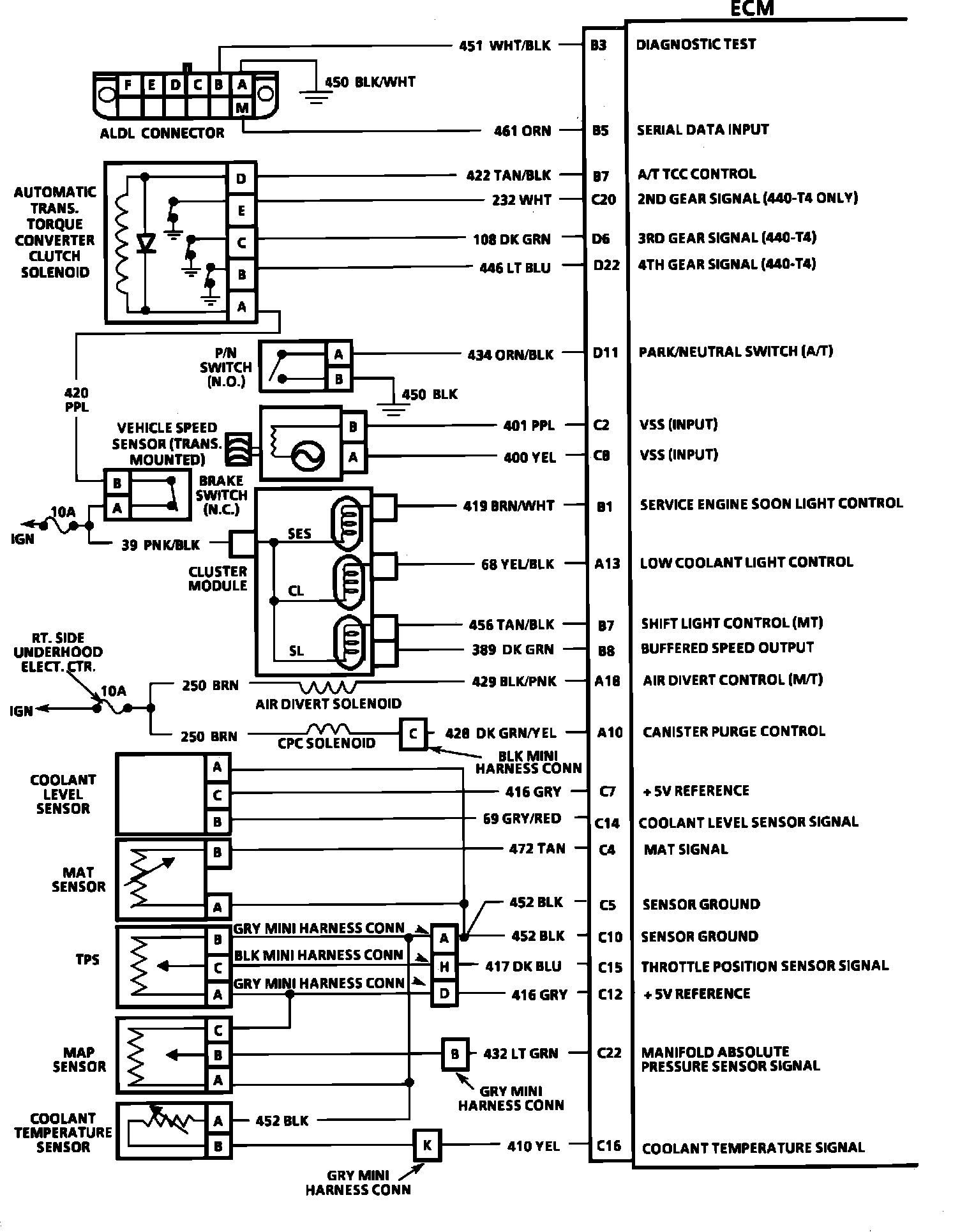
B3 = DIAGNOSTIC TEST
B5 = SERIAL DATA INPUT
B7 = A/T TCC CONTROL
C20 = 2ND GEAR SIGNAL (440-T4 ONLY)
D6 = 3RD GEAR SIGNAL (440-T4)
D22 = 4TH GEAR SIGNAL(440-T4)
D11 = PARK NEUTRAL SWITCH (A/T)
C2 = VSS INPUT
C8 = VSS INPUT
B1 = SERVICE ENGINE SOON LIGHT
A13 = COOLANT LIGHT CONTROL
B7 = SHIFT LIGHT CONTROL (MT)
B8 = BUFFERED SPEED OUTPUT
A18 = AIR DIVERT CONTROL
A10 = CANISTER PURGE CONTROL
C7 = 5 VOLT REFERENCE
C14 = COOLANT LEVEL SENSOR SIGNAL
C4 = MAT SIGNAL
C5 = SENSOR GROUND
C10 = SENSOR GROUND
C15 = THROTTLE POSITION SENSOR SIGNAL
C12 = 5 VOLT REFERENCE
C22 = MAP SIGNAL
C16 = COOLANT TEMPERATURE SIGNAL



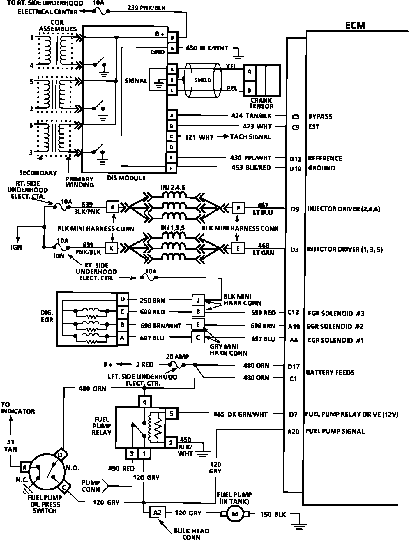
Engine Controls (ECM):






C3 = BYPASS
C9 = EST
D13 = REFERENCE
D19 = GROUND
D9 = INJECTOR DRIVER 2,4,6
D3 = INJECTOR DRIVER 1,3,5
C13 = EGR SOLENOID #3
A19 = EGR SOLENOID #2
A4 = EGR SOLENOID #1
D17 = BATTERY FEED
C1 = BATTERY FEED
D7 = FUEL PUMP RELAY DRIVE (12V)
A20 = FUEL PUMP SIGNAL




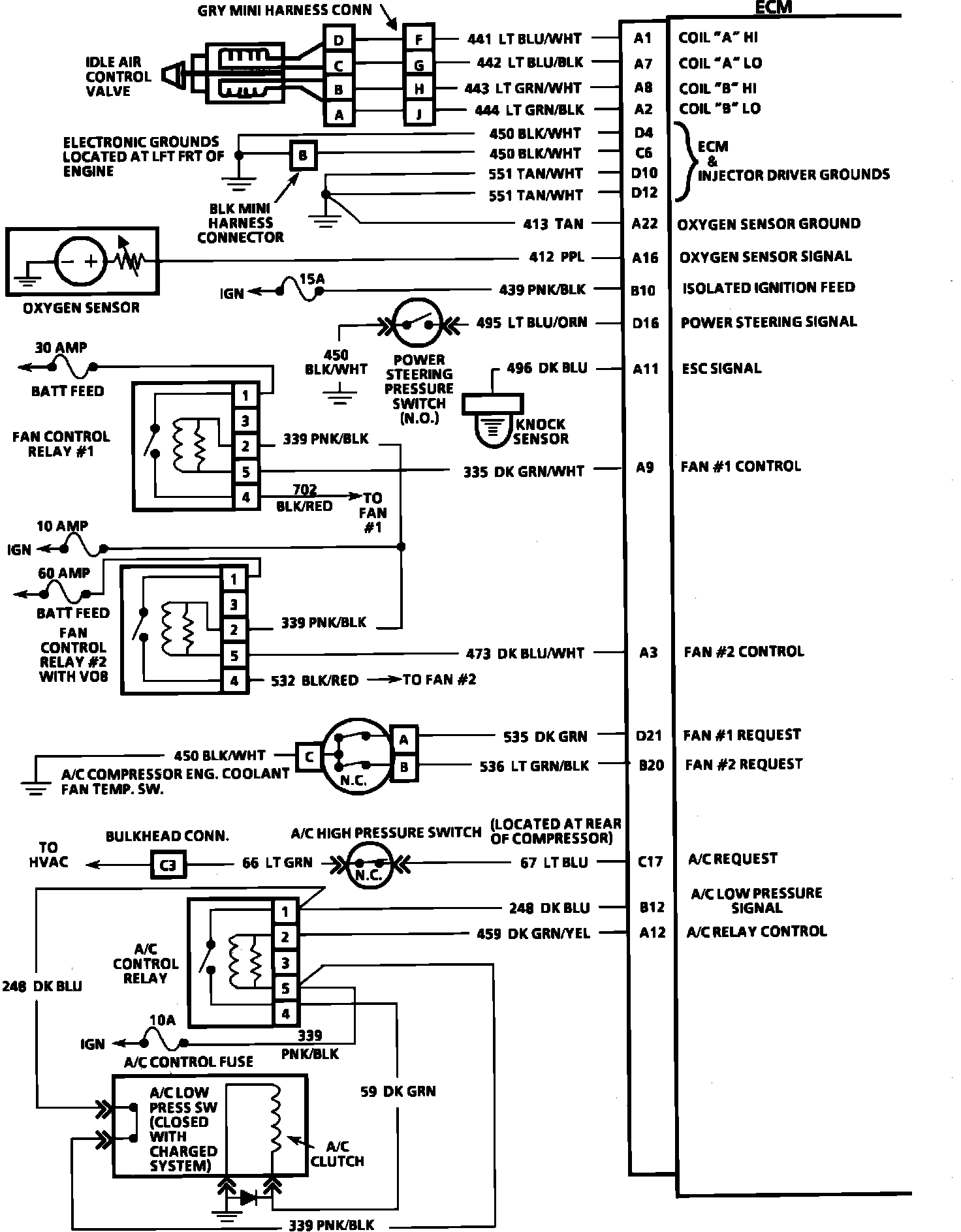
Engine Controls (ECM):






A1 = IAC COIL "A" HI
A7 = IAC COIL "A" LO
A8 = IAC COIL "B" HI
A2 = IAC COIL "B" LO
D4 = ECM AND INJECTOR DRIVER GROUND
C6 = ECM AND INJECTOR DRIVER GROUND
D10 = ECM AND INJECTOR DRIVER GROUND
D12 = ECM AND INJECTOR DRIVER GROUND
A22 = OXYGEN SENSOR GROUND
A16 = OXYGEN SENSOR SIGNAL
B10 = ISOLATED IGNITION FEED
D16 = POWER STEERING SIGNAL
A11 = ESC SIGNAL
A9 = FAN #1 CONTROL
A3 = FAN #2 CONTROL
D21 = FAN #1 REQUEST
B20 = FAN #2 REQUEST
C17 = A/C REQUEST
B12 = A/C LOW PRESSURE SIGNAL
A12 = A/C RELAY CONTROL