Curiosii for ever!
: Car repair manuals for everyone.
Home
>>
Oldsmobile
>>
1990
>>
Cutlass L4-138 2.3L VIN A FI HP
>>
Repair and Diagnosis
>>
Diagrams
>>
Exploded Views
>>
Engine
>>
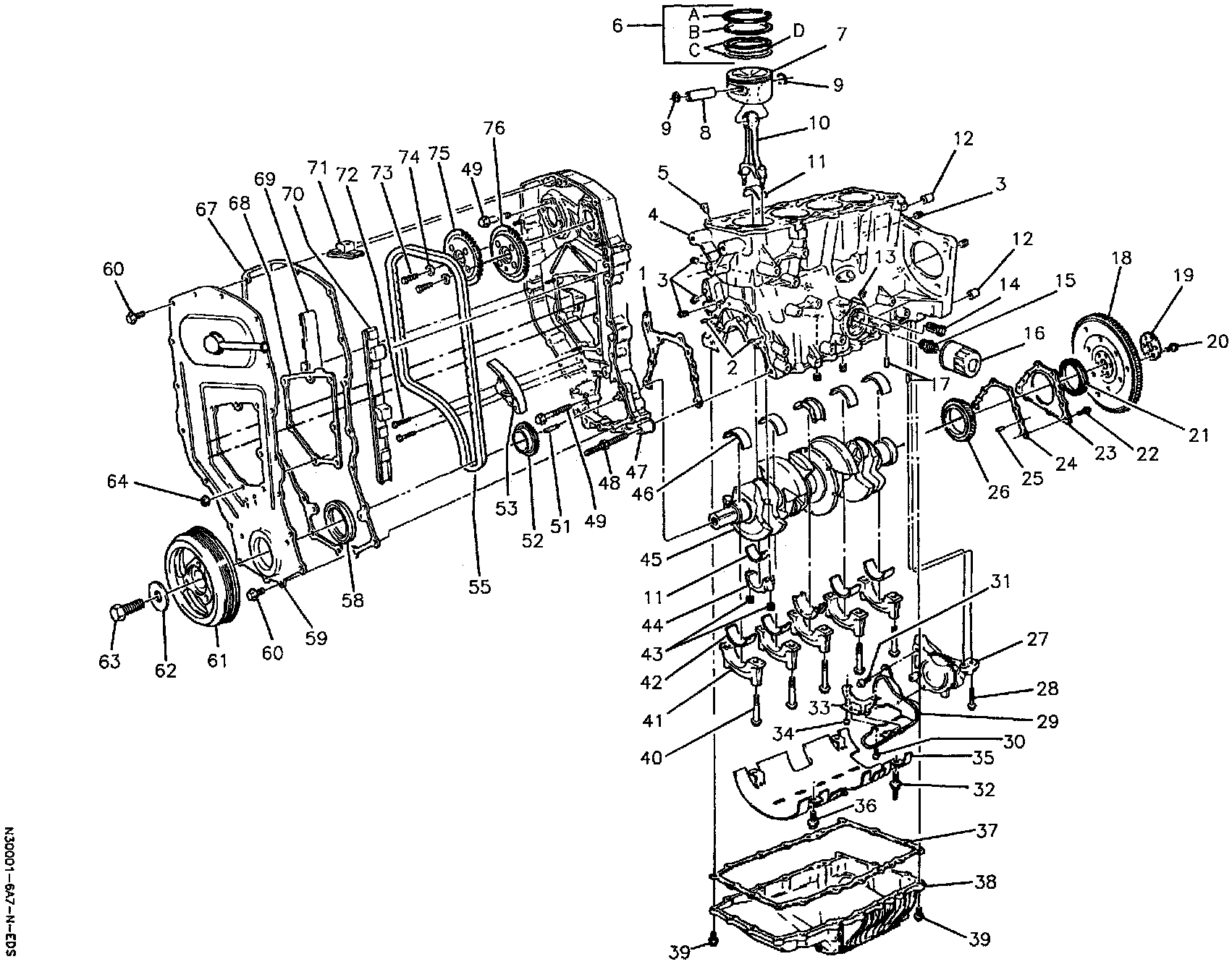
Timing Components
Timing Components
Disassembled Upper Engine:
Legend:
Disassembled Lower Engine:
Legend: