Curiosii for ever!
: Car repair manuals for everyone.
Home
>>
Oldsmobile
>>
1989
>>
Delta 88 V6-3800 3.8L
>>
Repair and Diagnosis
>>
Diagrams
>>
Electrical Diagrams
>>
Antilock Brakes / Traction Control Systems
>>
Electronic Brake Control Module
Electronic Brake Control Module
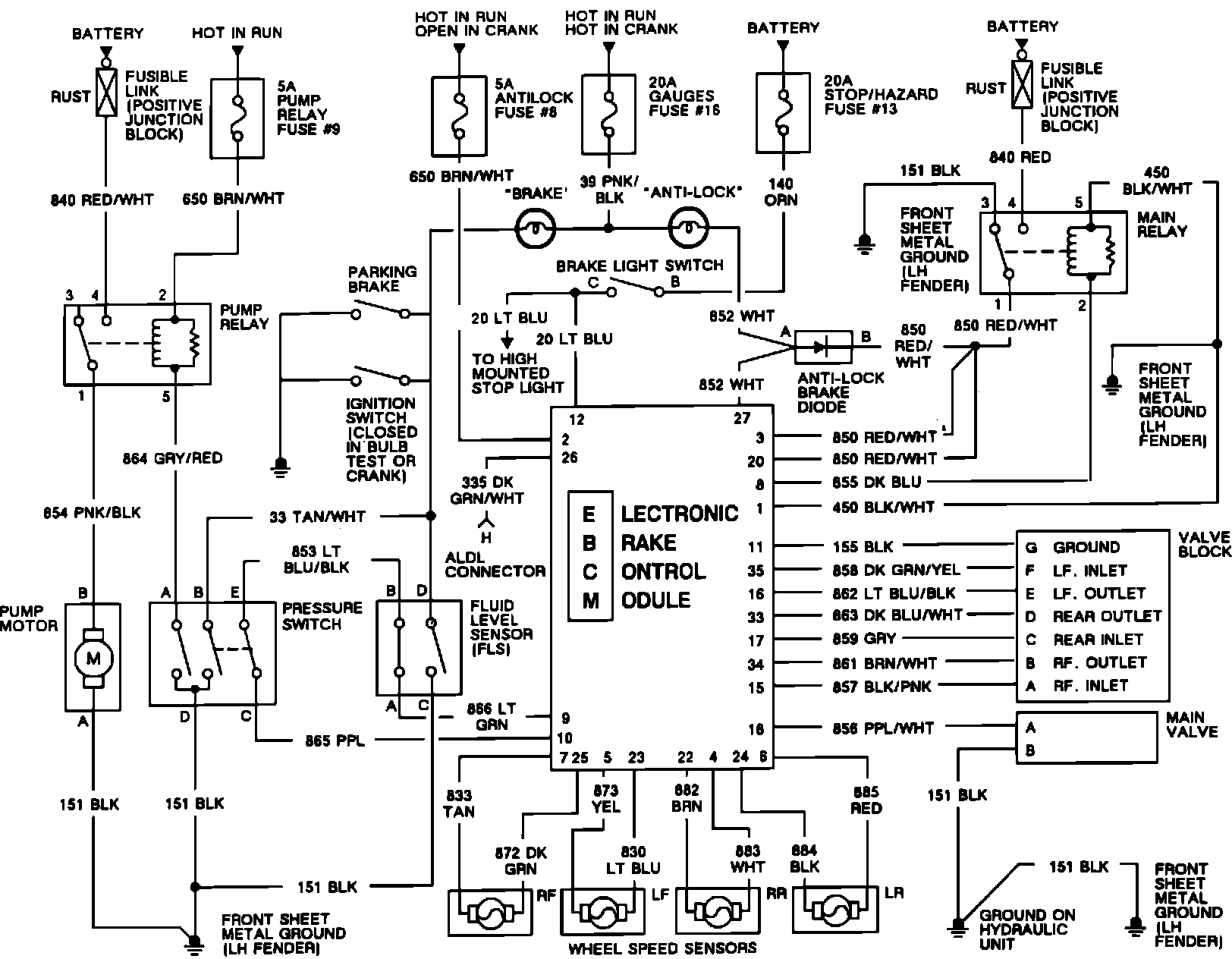
Fig. 48 Anti-Lock Brake System Wiring Schematic. 1989-90 Models Except 6000: