Curiosii for ever!
: Car repair manuals for everyone.
Home
>>
Oldsmobile
>>
1989
>>
Custom Cruiser V8-307 5.0L
>>
Repair and Diagnosis
>>
Powertrain Management
>>
Diagrams
>>
Electrical Diagrams
>>
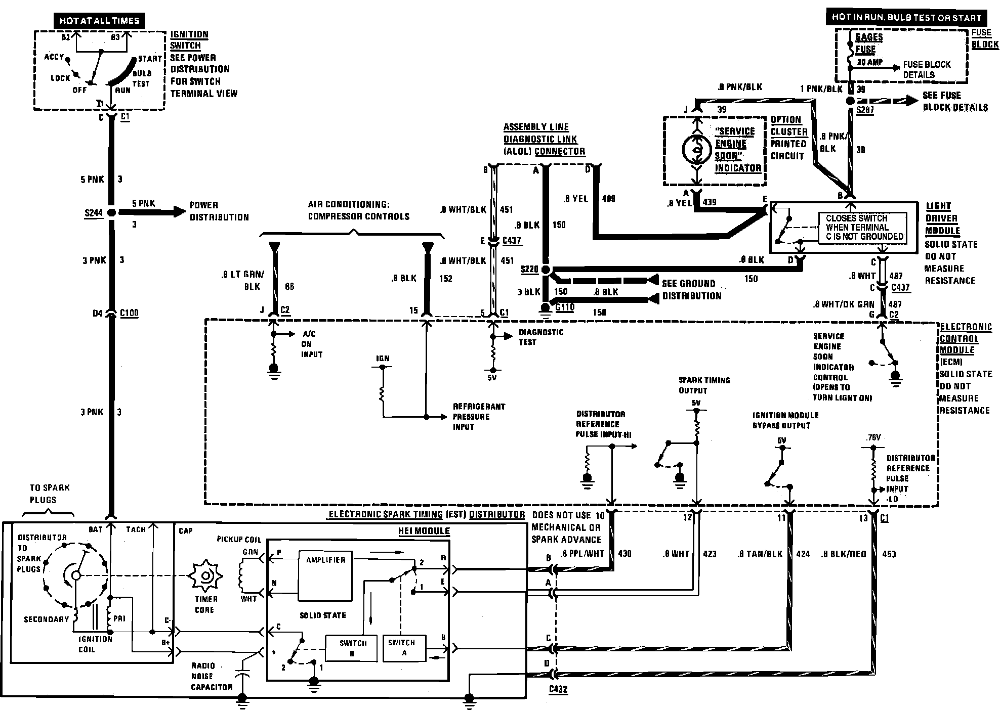
Ignition Controls
Ignition Controls
Ignition And Service Engine Soon Indicator:
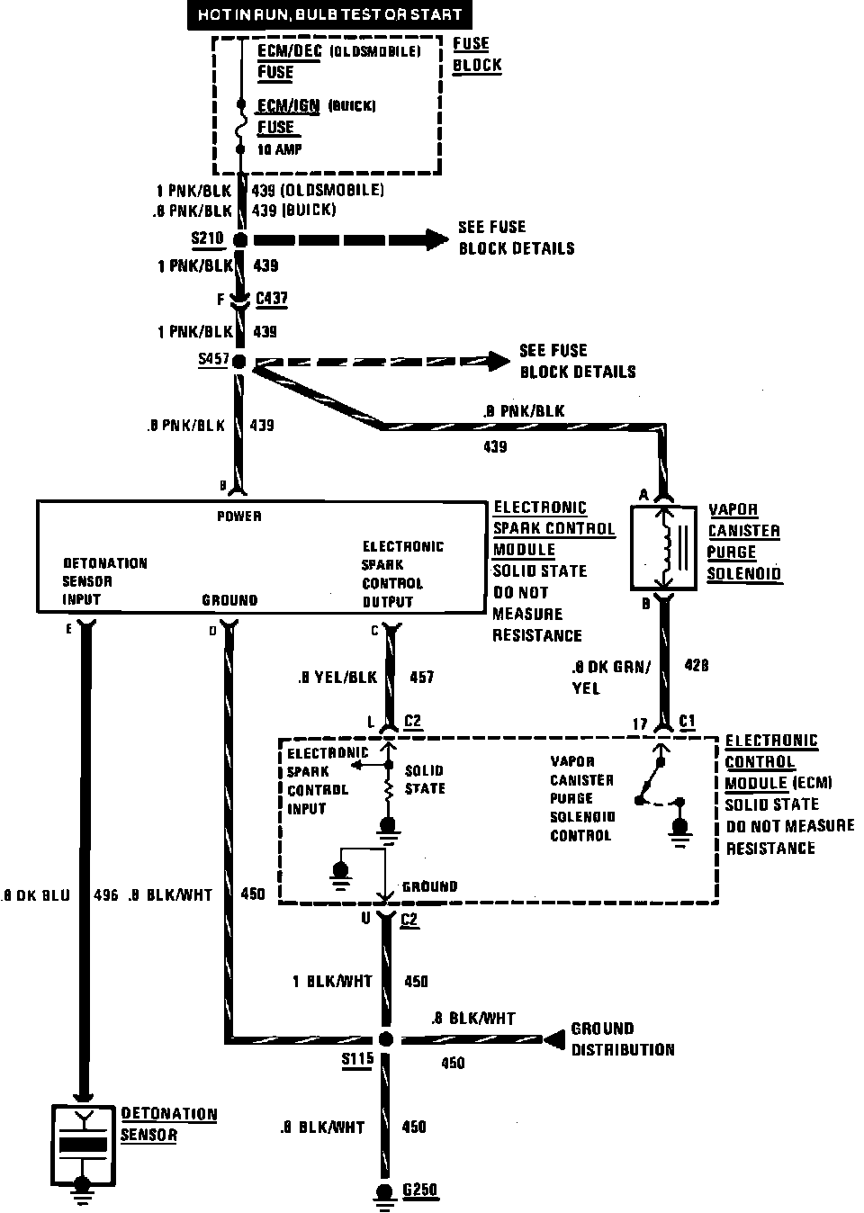
Spark Control: